LEMON Manuals: Even more car manuals for everyone: 1960-2025
Home >> Mitsubishi >> 2004 >> Lancer L4-2.4L SOHC >> Repair and Diagnosis >> Diagrams >> Exploded Views >> Automatic Transmission/Transaxle >> System Diagram >> Transaxle Connection
April 5, 2026: LEMON Manuals is launched! Read the announcement.

Transaxle Connection

TRANSAXLE OVERHAUL W/ RELATED COMPONENTS

Part 1 Of 5:




Part 2 Of 5:




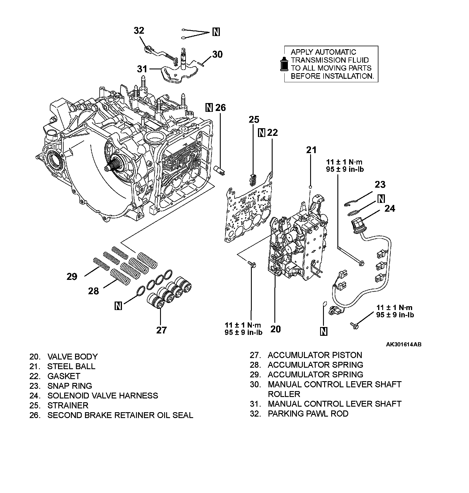
Part 3 Of 5:




Part 4 Of 5:




Part 5 Of 5:







Part 1 Of 4:




Part 2 Of 4:




Part 3 Of 4:




Part 4 Of 4: