LEMON Manuals: Even more car manuals for everyone: 1960-2025
Home >> Mitsubishi >> 2005 >> Galant LS >> Repair and Diagnosis (Single Page) >> Accessories & Equipment >> Communication Devices >> Controller Area Network (Can) >> Diagnosis >> Can Bus Diagnostics >> DIAGNOSTIC ITEM 22: Diagnose The Lines Between CAN Main Bus Line And The A/C-ECU. >> Notes
April 5, 2026: LEMON Manuals is launched! Read the announcement.

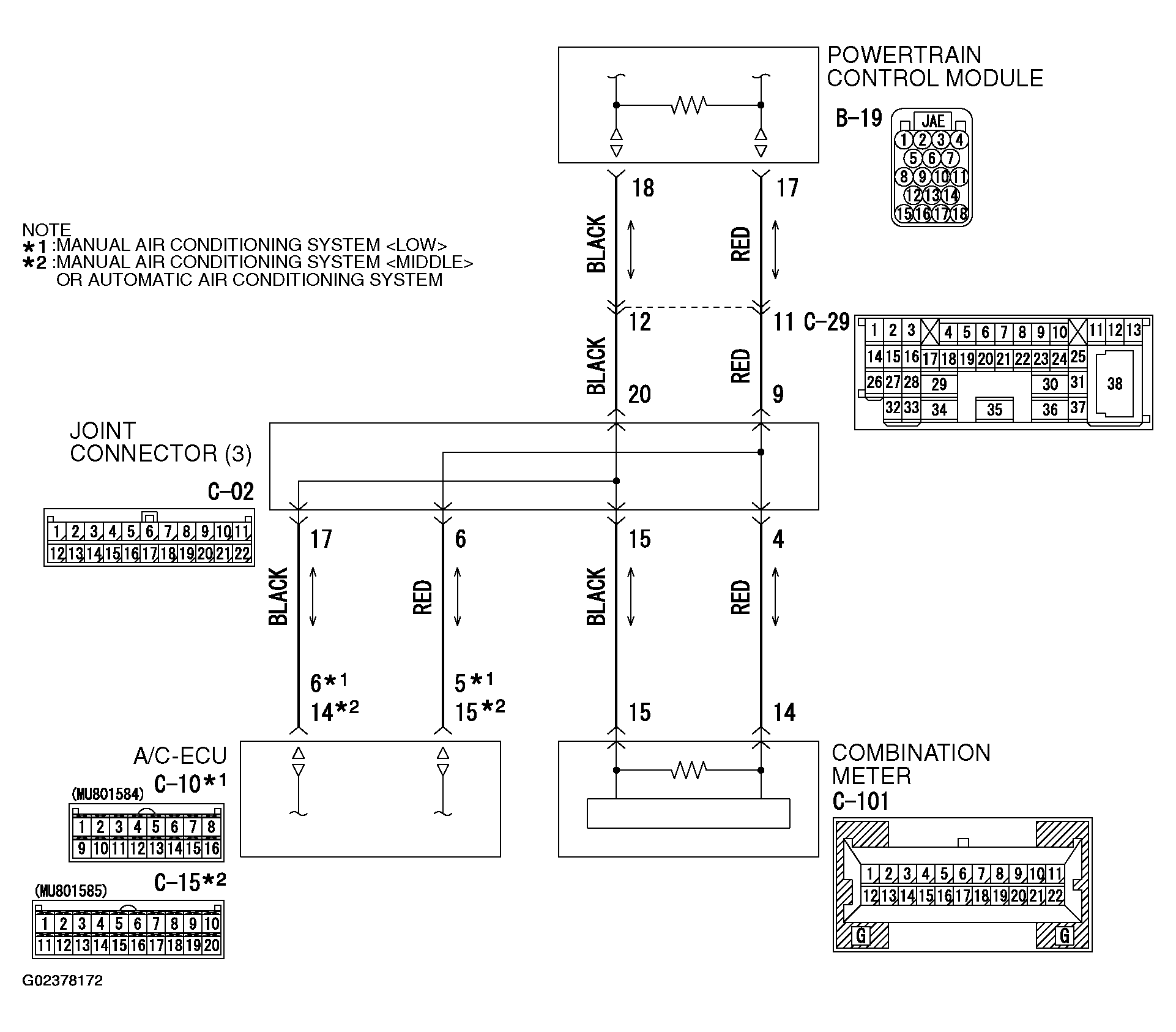
DIAGNOSTIC ITEM 22: Diagnose The Lines Between CAN Main Bus Line And The A/C-ECU.: Notes

CAUTION: When servicing a CAN bus line, ground yourself by touching a metal object such as an unpainted water pipe. If you fail to do so, a component connected to the CAN bus line may be damaged.
Fig 1: Diagnostic Item 22 Circuit Diagram (Without Electronic Brake-Force Distribution (EBD) And Anti-Lock Braking System)
G02378172Courtesy of MITSUBISHI MOTOR SALES OF AMERICA.
Fig 2: Diagnostic Item 22 Circuit Diagram (With Electronic Brake-Force Distribution (EBD) And Anti-Lock Braking System) & Identifying Connectors
G02378173Courtesy of MITSUBISHI MOTOR SALES OF AMERICA.