LEMON Manuals: Even more car manuals for everyone: 1960-2025
Home >> Mitsubishi >> 2005 >> Lancer ES, Standard >> Repair and Diagnosis >> Restraints >> Restraints Control Systems >> Supplemental Restraints System -- Except Evolution >> General Description >> Construction Diagram >> Schematic
April 5, 2026: LEMON Manuals is launched! Read the announcement.

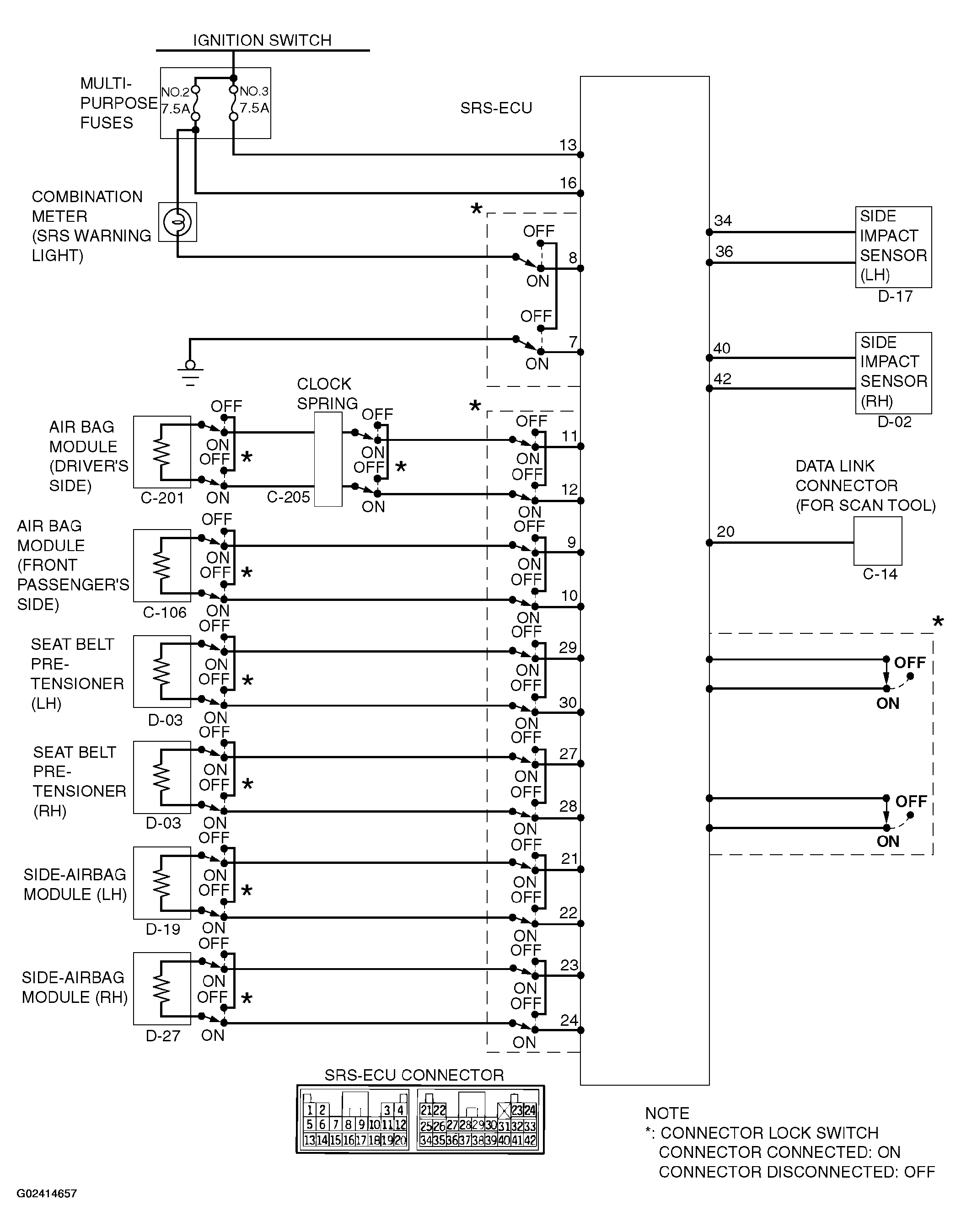
Construction Diagram: Schematic

Fig 1: Schematic - Warning Diagram
G02414657Courtesy of MITSUBISHI MOTOR SALES OF AMERICA.