LEMON Manuals: Even more car manuals for everyone: 1960-2025
Home >> Mitsubishi >> 2005 >> Lancer Evolution >> Repair and Diagnosis (Single Page) >> Electrical >> Body Electrical >> Simplified Wiring System (SWS) - Evolution >> Symptom Procedures >> Power Windows >> INSPECTION PROCEDURE D-3: Power Windows: Only The Front Door Window (LH) Does Not Work Normally By Operating The Power Window Main Switch. >> Notes
April 5, 2026: LEMON Manuals is launched! Read the announcement.

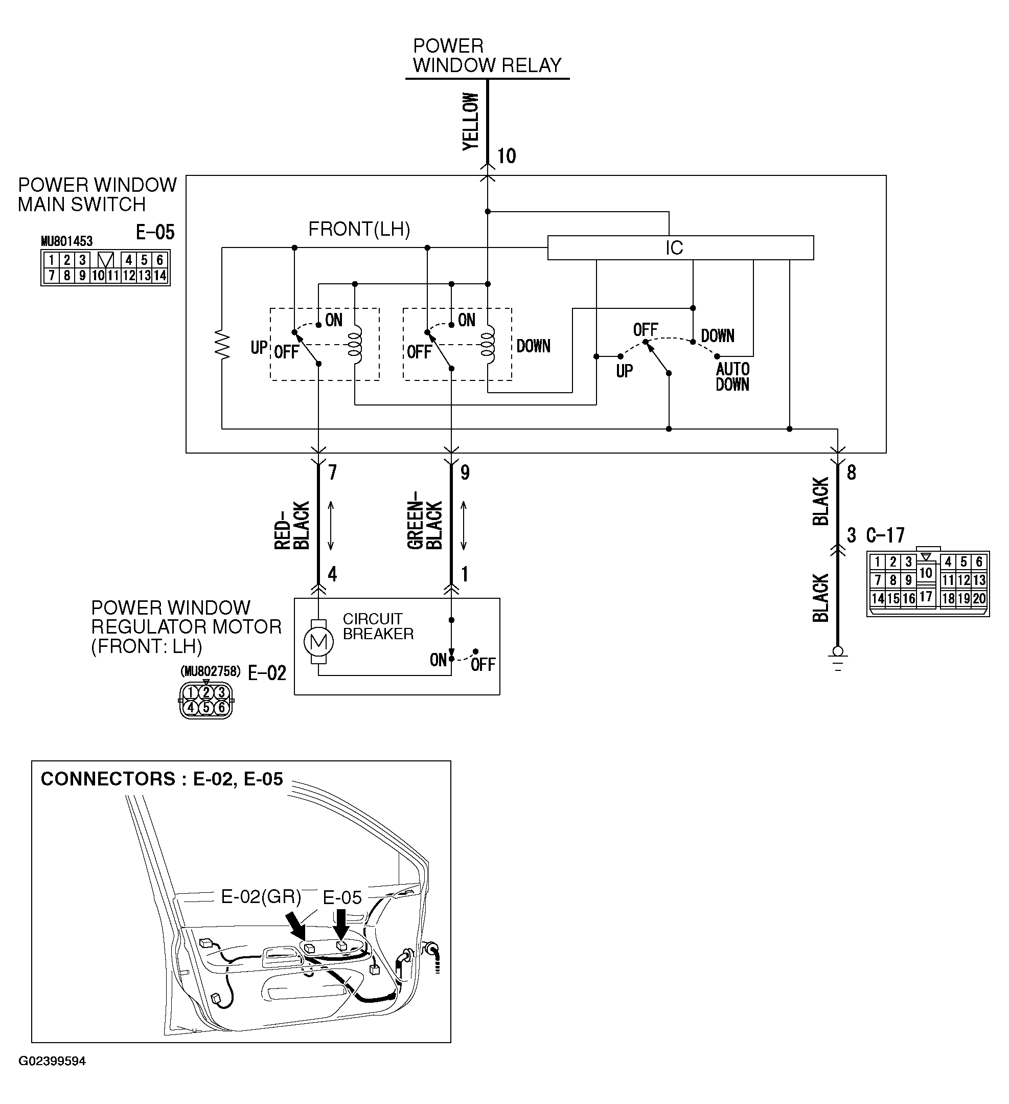
INSPECTION PROCEDURE D-3: Power Windows: Only The Front Door Window (LH) Does Not Work Normally By Operating The Power Window Main Switch.: Notes

Fig 1: Power Window (Front LH) Circuit Diagram
G02399594Courtesy of MITSUBISHI MOTOR SALES OF AMERICA.