LEMON Manuals: Even more car manuals for everyone: 1960-2025
Home >> Mitsubishi >> 2005 >> Lancer Evolution >> Repair and Diagnosis >> Restraints >> Passive Restraints >> Supplemental Restraint System -- Evolution >> General Description >> On-Board Diagnostic/SRS Warning Light Function >> Schematic
April 5, 2026: LEMON Manuals is launched! Read the announcement.

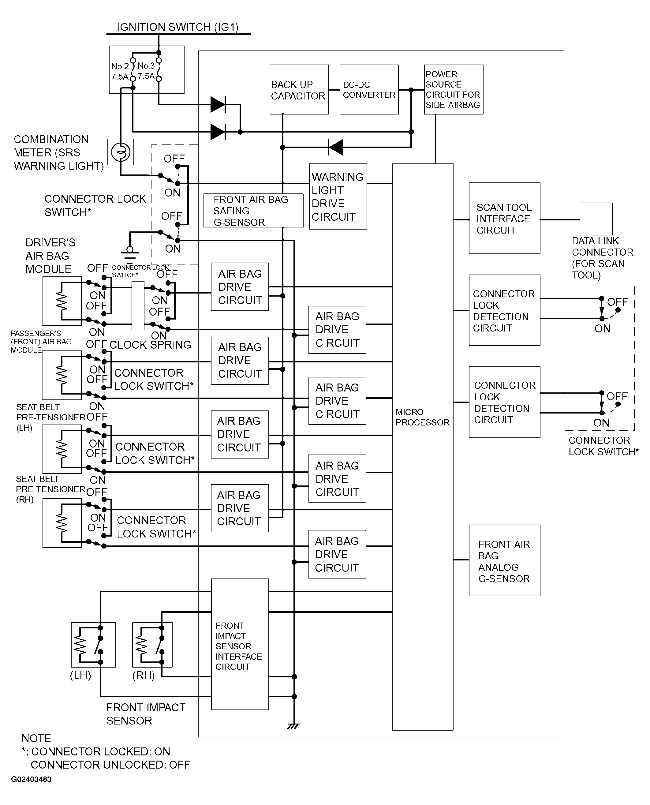
On-Board Diagnostic/SRS Warning Light Function: Schematic

Fig 1: SRS Schematic Diagram
G02403483Courtesy of MITSUBISHI MOTOR SALES OF AMERICA.
NOTE: * CONNECTOR LOCKED: ON CONNECTOR UNLOCKED: OFF