LEMON Manuals: Even more car manuals for everyone: 1960-2025
Home >> Mitsubishi >> 2005 >> Montero >> Repair and Diagnosis (Single Page) >> Heating, Ventilation & A/C (HVAC) >> HVAC Control Systems >> Automatic Air Conditioning >> Auto A/C Diagnosis >> Symptom Procedures >> INSPECTION PROCEDURE 4: Blower does not Operate. >> Notes
April 5, 2026: LEMON Manuals is launched! Read the announcement.

INSPECTION PROCEDURE 4: Blower does not Operate.: Notes

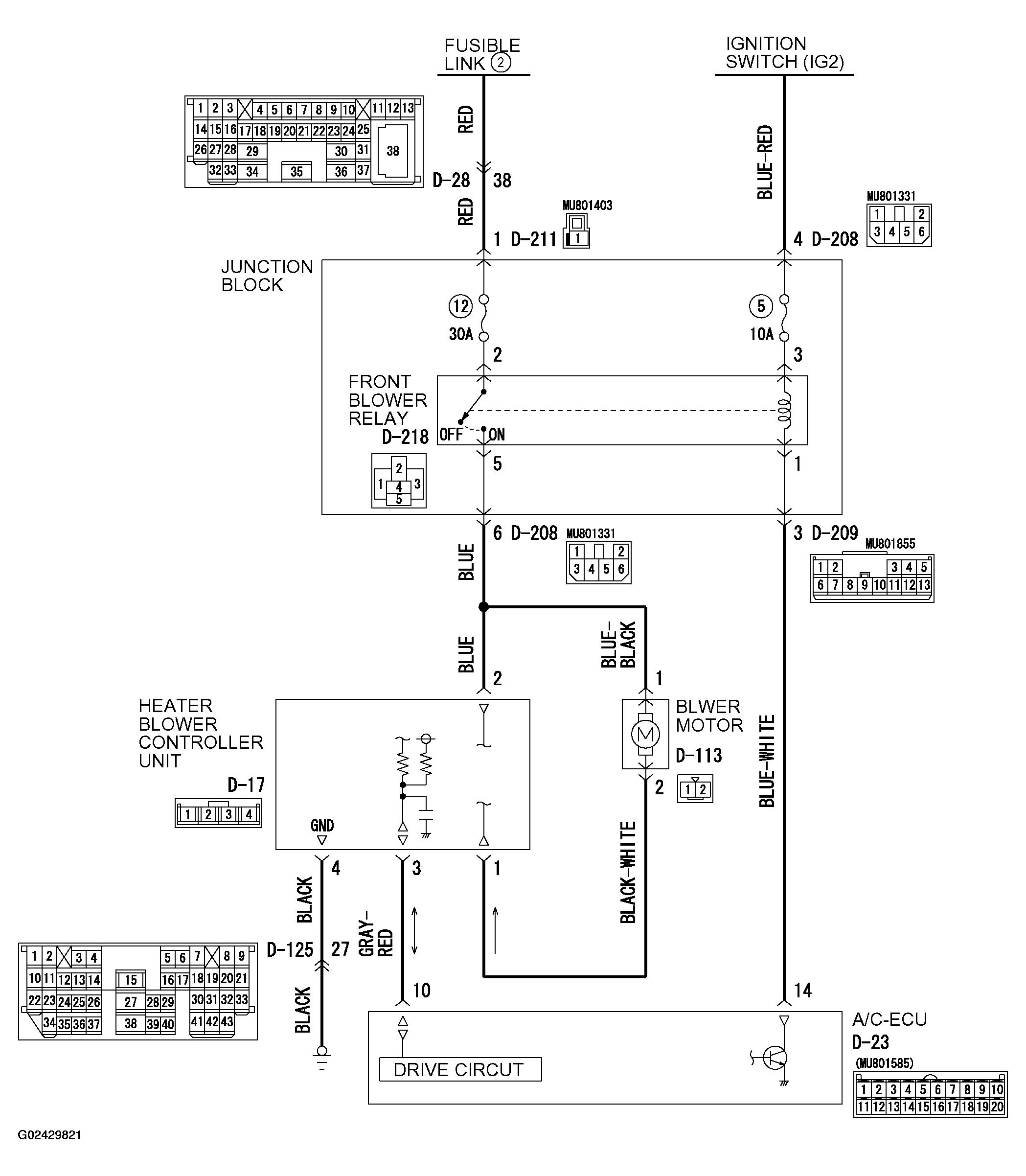
Fig 1: Blower Motor Circuit Diagram (1 Of 2)
G02429821Courtesy of MITSUBISHI MOTOR SALES OF AMERICA.
Fig 2: Blower Motor Circuit Diagram (1 Of 2)
G02429822Courtesy of MITSUBISHI MOTOR SALES OF AMERICA.