LEMON Manuals: Even more car manuals for everyone: 1960-2025
Home >> Mitsubishi >> 2006 >> Eclipse GS, Standard >> Repair and Diagnosis (Single Page) >> Accessories & Equipment >> Communication Devices >> Simplified Wiring System >> Symptom Procedures >> Power Windows >> INSPECTION PROCEDURE D-1: Power Windows: Power windows do not work at all. >> Notes
April 5, 2026: LEMON Manuals is launched! Read the announcement.

INSPECTION PROCEDURE D-1: Power Windows: Power windows do not work at all.: Notes

NOTE: This troubleshooting procedure requires use of scan tool MB991958 and SWS monitor kit MB991813. For details on how to use the SWS monitor, refer to "HOW TO USE SWS MONITOR  ."
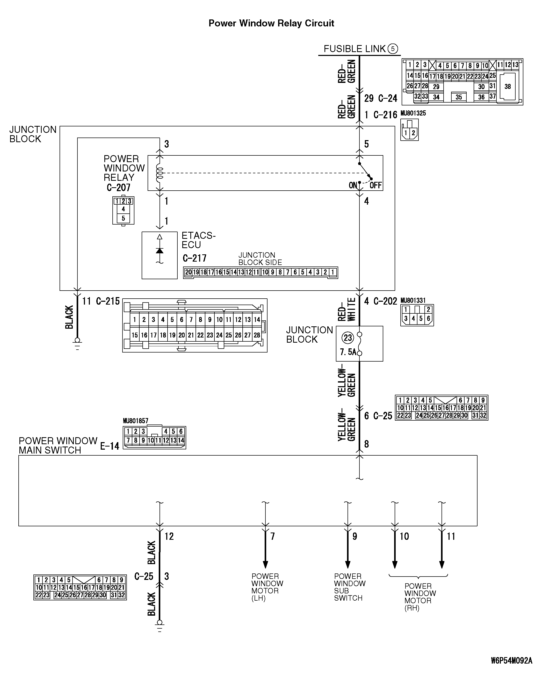
Fig 1: Power Window Relay Circuit Diagram (1 Of 2)
G04239358Courtesy of MITSUBISHI MOTOR SALES OF AMERICA.
Fig 2: Power Window Relay Circuit Diagram (2 Of 2)
G04239359Courtesy of MITSUBISHI MOTOR SALES OF AMERICA.