LEMON Manuals: Even more car manuals for everyone: 1960-2025
Home >> Mitsubishi >> 2006 >> Lancer Evolution >> Repair and Diagnosis >> Engine Performance >> System >> Emission Control - Lancer Evolution >> Exhaust Gas RECIRCULATION (EGR) System >> General Description (Exhaust Gas RECIRCULATION System) >> System Diagram
April 5, 2026: LEMON Manuals is launched! Read the announcement.

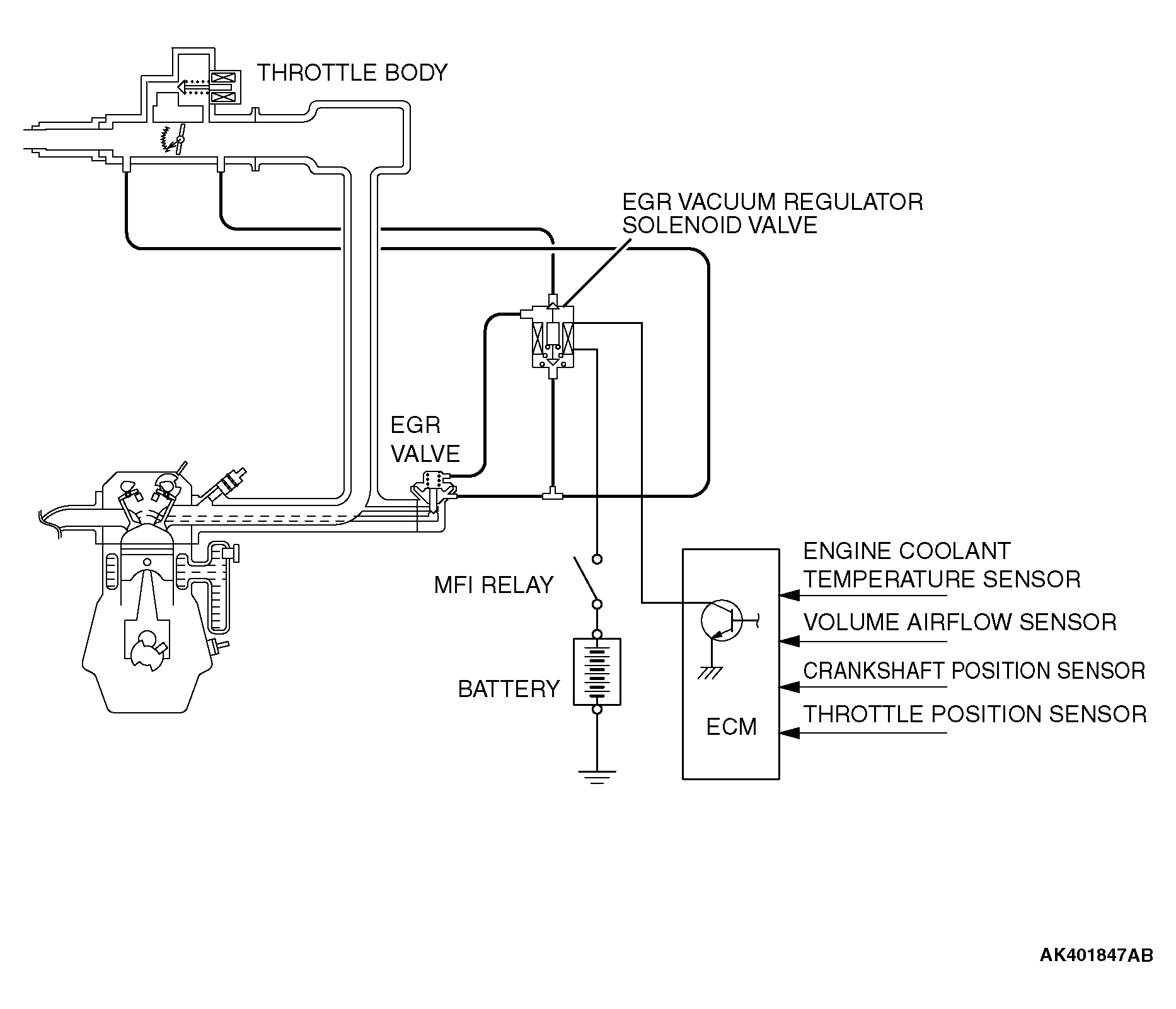
System Diagram

Fig 1: Exhaust Gas Recirculation System Diagram
G04296163Courtesy of MITSUBISHI MOTOR SALES OF AMERICA.