LEMON Manuals: Even more car manuals for everyone: 1960-2025
Home >> Mitsubishi >> 2006 >> Montero >> Repair and Diagnosis >> Restraints >> Restraints Control Systems >> Supplemental Restraint System >> General Description >> Schematic
April 5, 2026: LEMON Manuals is launched! Read the announcement.

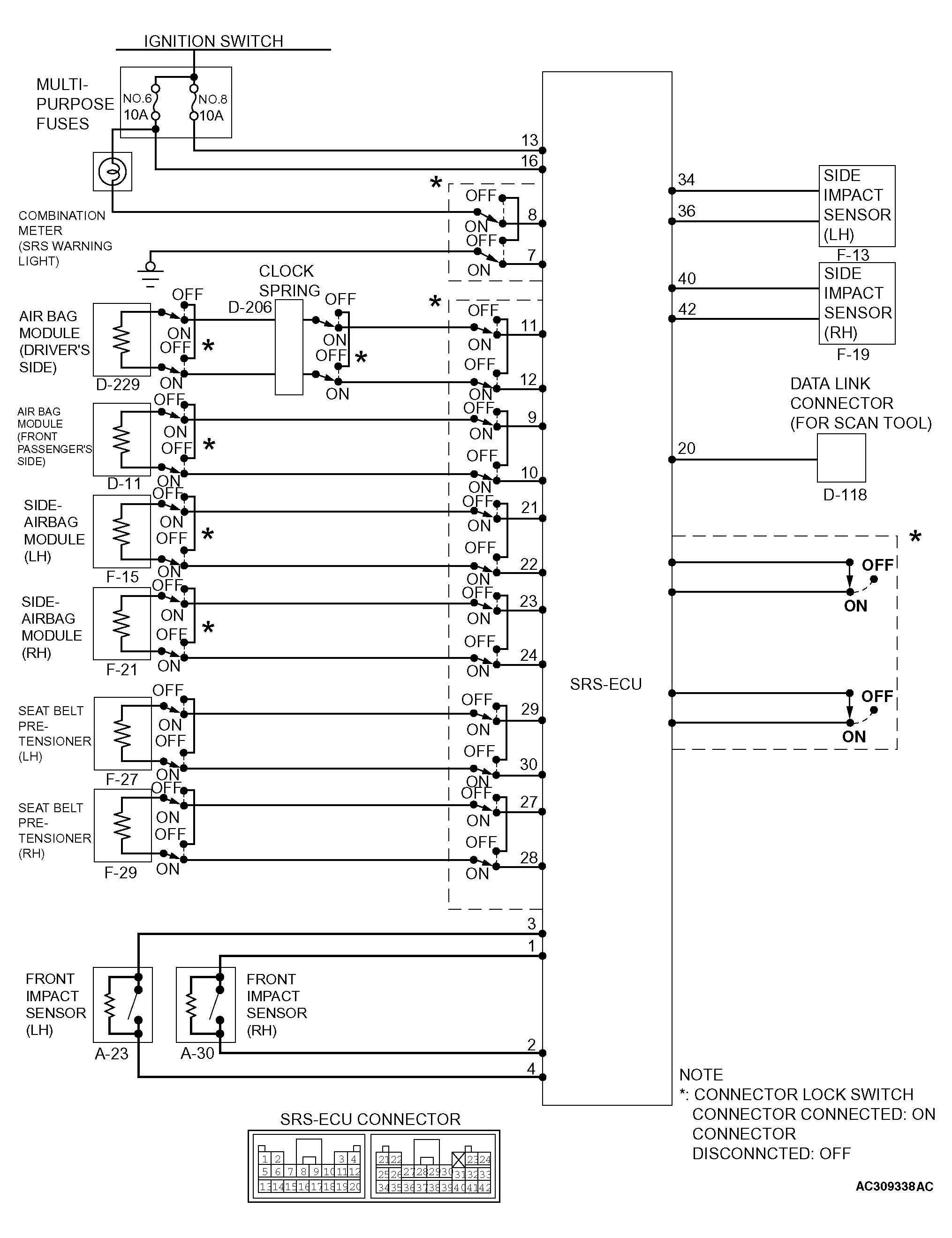
Supplemental Restraint System: General Description: Schematic

Fig 1: Schematic Diagram
G04267882Courtesy of MITSUBISHI MOTOR SALES OF AMERICA.