LEMON Manuals: Even more car manuals for everyone: 1960-2025
Home >> Mitsubishi >> 2006 >> Raider XLS, 4WD >> Repair and Diagnosis >> Engine Performance >> Engine Control Systems >> Electronic Control Modules >> Diagnosis And Testing >> *No Response From FCM (Front Control Module) >> Notes
April 5, 2026: LEMON Manuals is launched! Read the announcement.

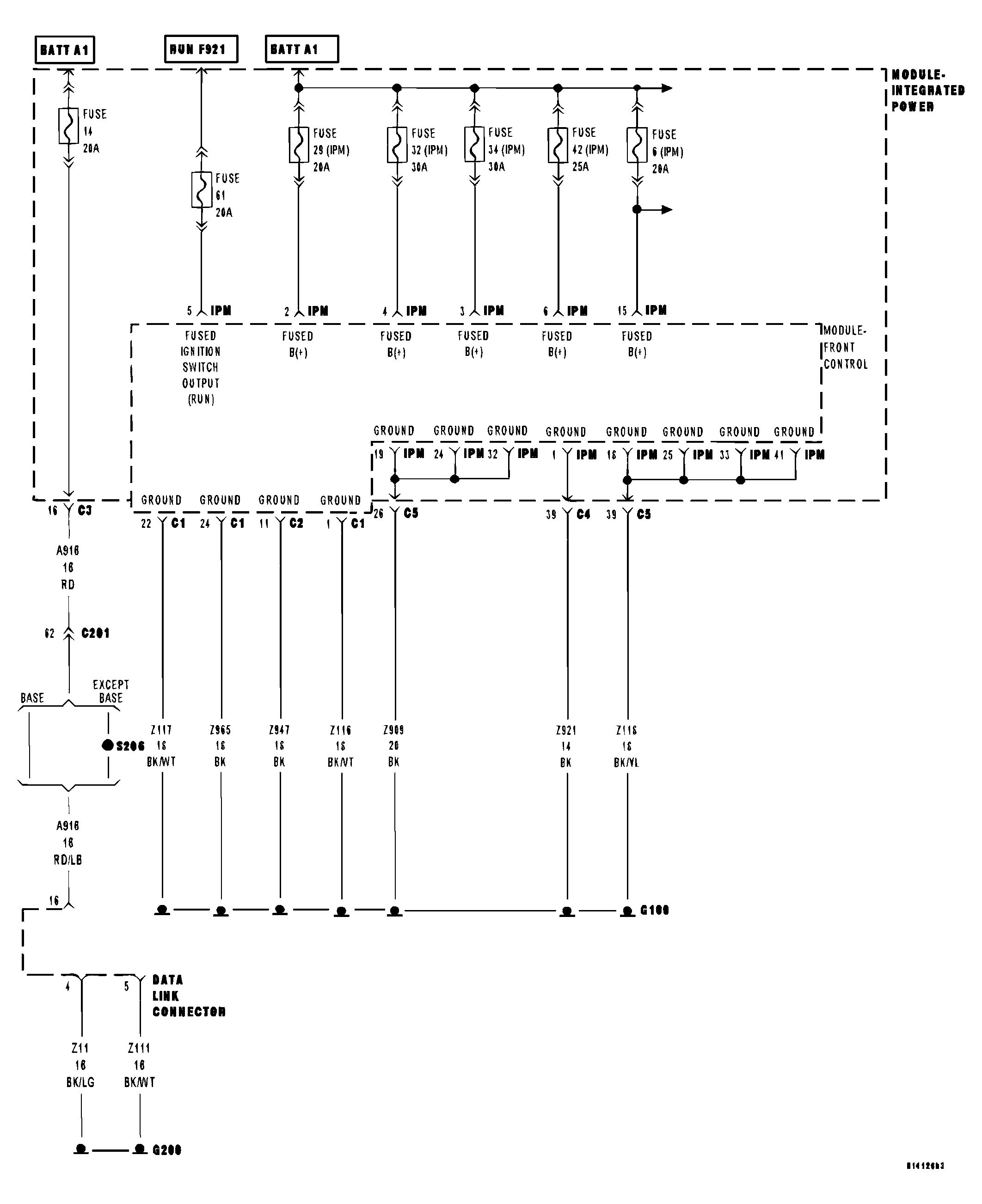
*No Response From FCM (Front Control Module): Notes

Fig 1: No Response From FCM (Front Control Module) - Wiring Diagram
G04283871Courtesy of MITSUBISHI MOTOR SALES OF AMERICA.

For a complete wiring diagram Refer to SYSTEM WIRING DIAGRAMS .

Possible Causes 

(A918) FUSED B (+) CIRCUIT OPEN AT DLC

(Z11) GROUND CIRCUIT OPEN AT DLC

GROUND CIRCUITS OPEN AT FCM

FUSED B+ CIRCUITS OPEN AT FCM

FRONT CONTROL MODULE