LEMON Manuals: Even more car manuals for everyone: 1960-2025
Home >> Mitsubishi >> 2006 >> Raider XLS, 4WD >> Repair and Diagnosis >> Engine Performance >> Engine Control Systems >> Electronic Control Modules >> Diagnosis And Testing >> DTC U0025: Can B Bus (-) Circuit Low >> Notes
April 5, 2026: LEMON Manuals is launched! Read the announcement.

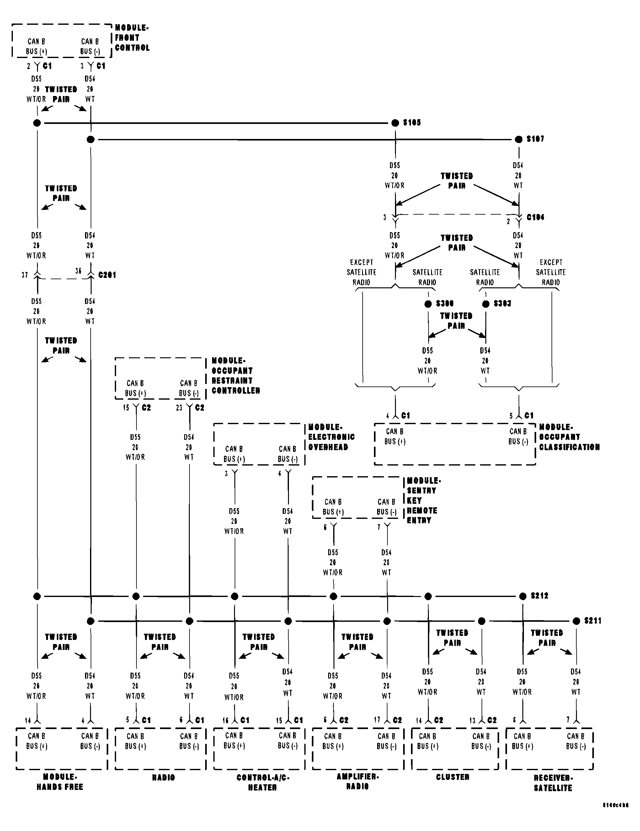
DTC U0025: Can B Bus (-) Circuit Low: Notes

Fig 1: U0025-CAN B BUS (-) Low - Wiring Diagram
G04283811Courtesy of MITSUBISHI MOTOR SALES OF AMERICA.

For a complete wiring diagram Refer to SYSTEM WIRING DIAGRAMS .

Possible Causes 

(D54) CAN B BUS (-) CIRCUIT SHORTED TO GROUND OR TO (D54) CAN B BUS (-) CIRCUIT

ANY CAN B BUS MODULE

FRONT CONTROL MODULE