LEMON Manuals: Even more car manuals for everyone: 1960-2025
Home >> Mitsubishi >> 2007 >> Eclipse L4-2.4L (4G69) >> Repair and Diagnosis >> Diagrams >> Electrical Diagrams >> Powertrain Management >> Computers and Control Systems >> Information Bus >> Controller Area Network (CAN) - A/T
April 5, 2026: LEMON Manuals is launched! Read the announcement.

Controller Area Network (CAN) - A/T

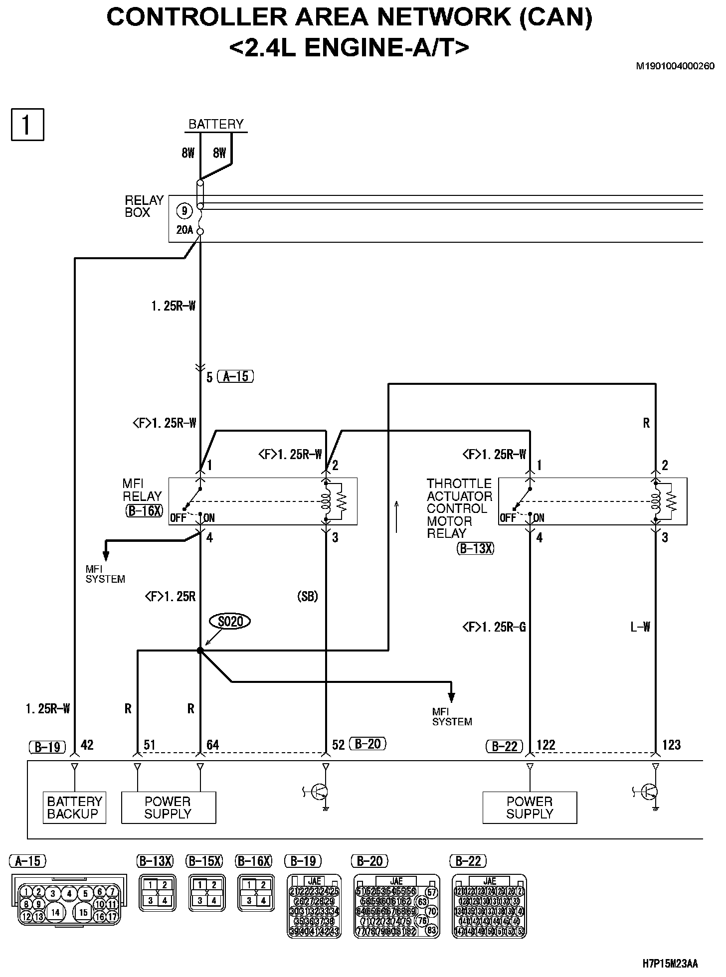
Controller Area Network (CAN) (Part 1):




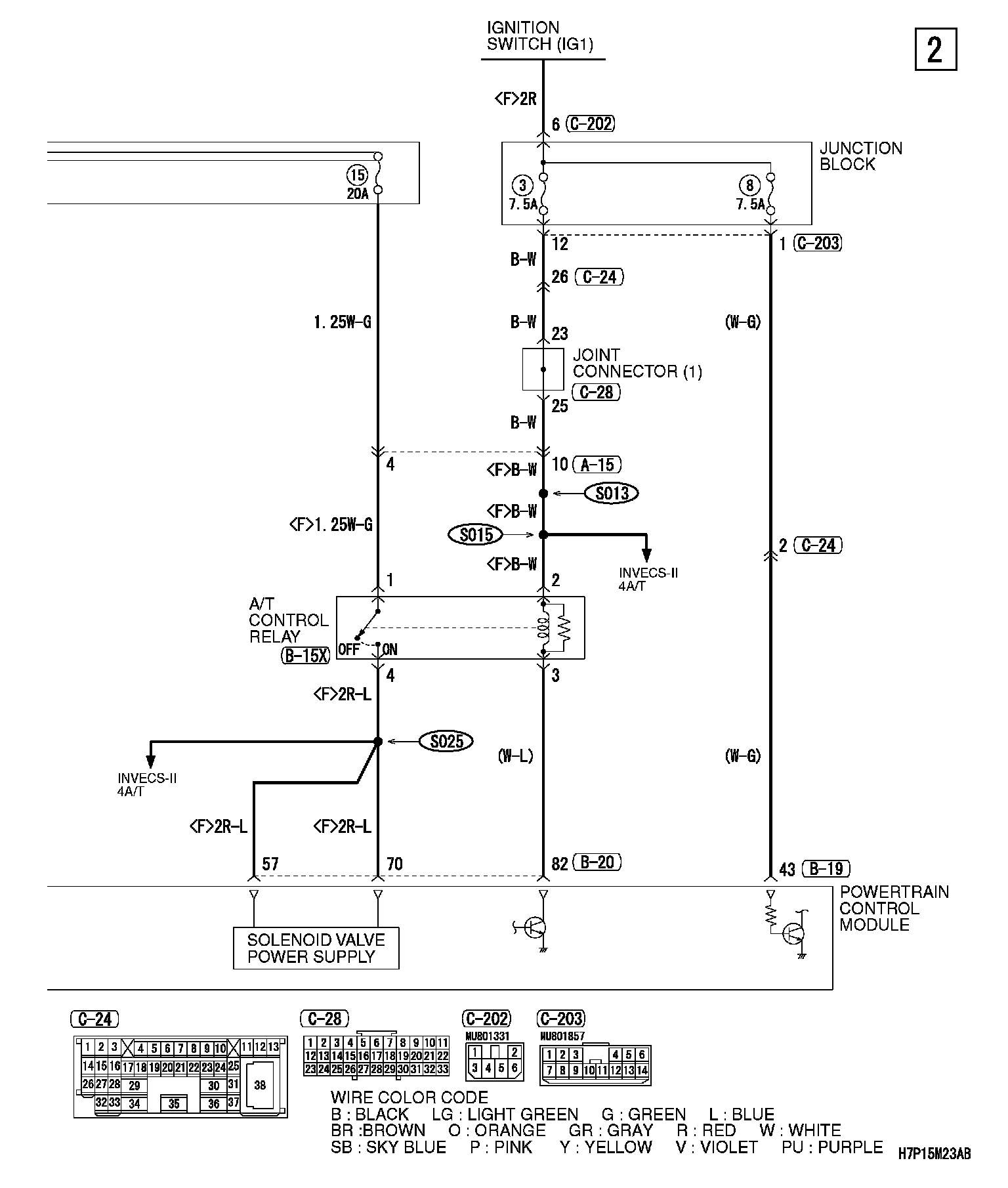
Controller Area Network (CAN) (Part 2):




Controller Area Network (CAN) (Part 3):




Controller Area Network (CAN) (Part 4):




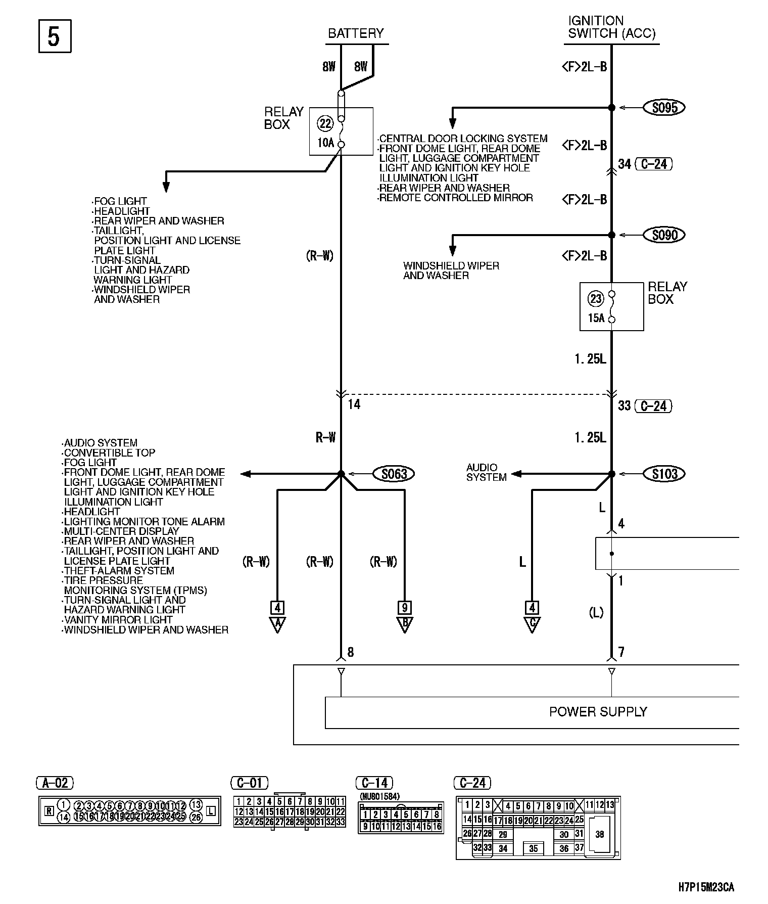
Controller Area Network (CAN) (Part 5):




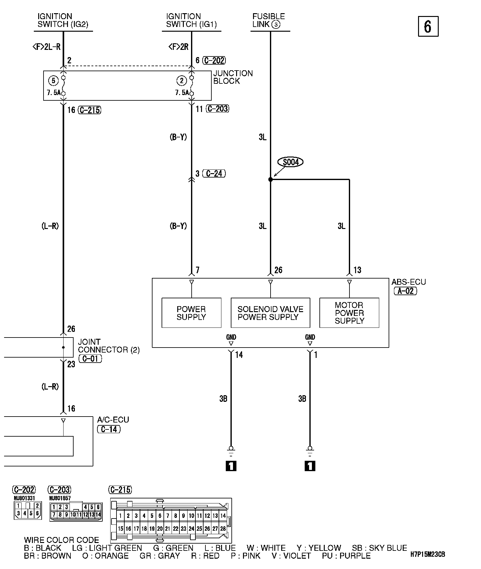
Controller Area Network (CAN) (Part 6):




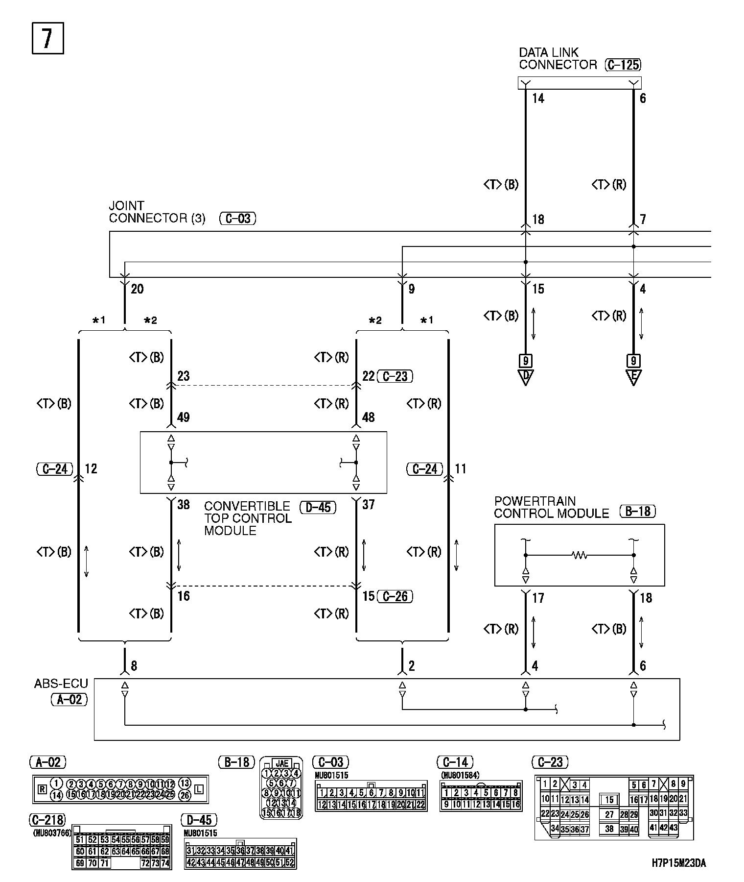
Controller Area Network (CAN) (Part 7):




Controller Area Network (CAN) (Part 8):




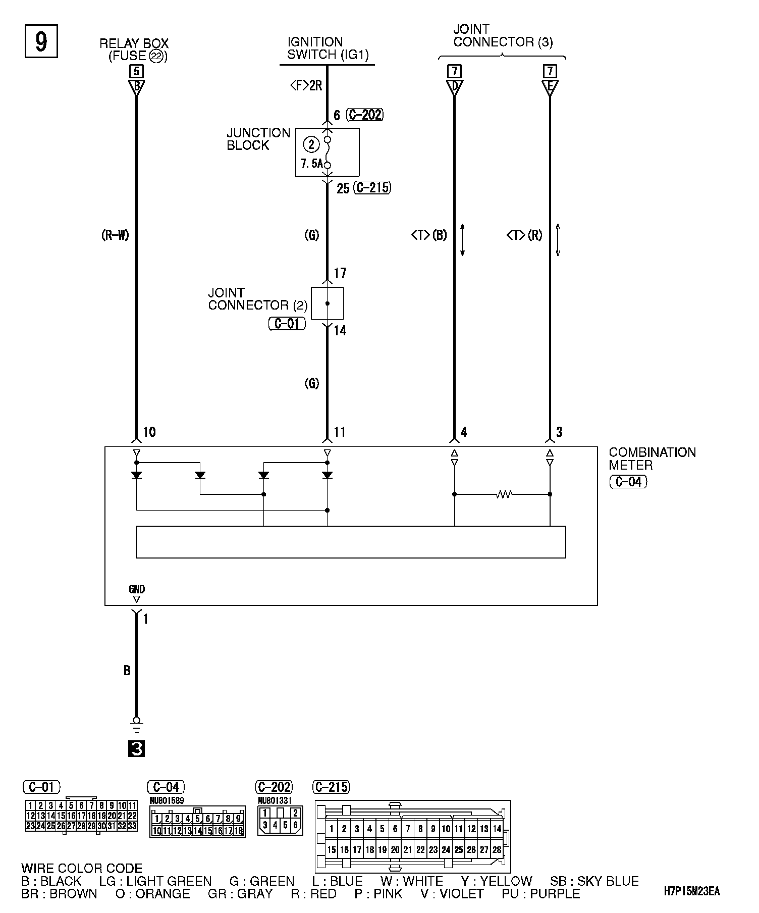
Controller Area Network (CAN) (Part 9):






Connector/Component Locations: The locations of connectors and components referred to within these diagrams can be found via the connector number at Vehicle Connector Locations. Connector Locations

Splice Locations: The locations of Splices referred to within these diagrams can be found via the splice number at Vehicle Splice Locations. Splice Locations

Ground Locations: The locations of grounds referred to within these diagrams can be found via the ground number at Vehicle Ground Locations. Ground Locations