LEMON Manuals: Even more car manuals for everyone: 1960-2025
Home >> Mitsubishi >> 2007 >> Eclipse L4-2.4L (4G69) >> Repair and Diagnosis >> Starting and Charging >> Charging System >> Testing and Inspection >> Component Tests and General Diagnostics >> Output Current Test
April 5, 2026: LEMON Manuals is launched! Read the announcement.

Output Current Test

OUTPUT CURRENT TEST






Required Special Tool:
MB991958: Scan Tool (MUT-III Sub Assembly)
- MB991824: V.C.I.
- MB991827: MUT-III USB Cable
- MB991910: MUT-III Main Harness A

This test determines whether the generator outputs normal current. For best results, use a charging system tester. If not available, follow the steps below.

WARNING: Battery posts, terminals and related accessories contain lead and lead compounds. WASH HANDS AFTER HANDLING.

1. Before the test, always be sure to check the following.
- Generator installation
- Battery (Refer to Chassis Electrical -Battery -On-vehicle Service -Battery Check.)

NOTE: The battery to be used should be slightly discharged. The load in a fully-charged battery will be insufficient and the test may not be able to be carried out correctly.

- Generator drive belt tension. (Refer to General -Maintenance Service -Drive Belts (For Generator, Power Steering Pump and Air Conditioning) (Check))
- Fusible link
- Abnormal noise from the generator while the engine is running.

2. Turn the ignition switch to the "LOCK" (OFF) position.
3. Disconnect the negative battery cable.

WARNING: Never use clips to connect the line. Loose connections (for example, using clips) will lead to a serious accident because of high current.

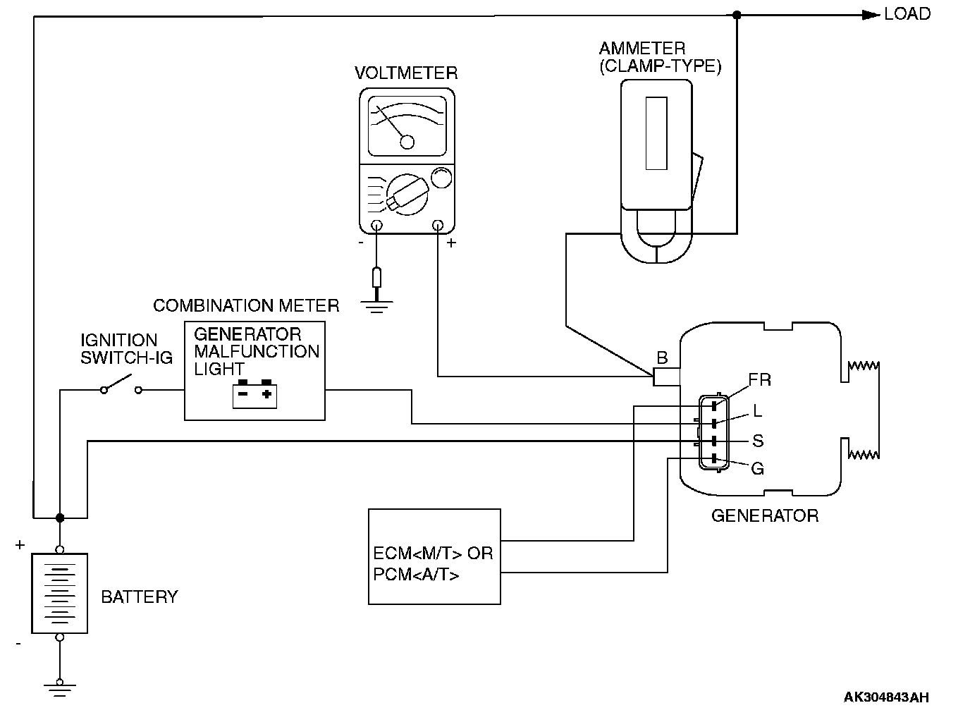
4. Connect a clamp-type DC test ammeter with a range of 0 - 150 A to the generator "B" terminal output wire.
5. Connect a voltmeter with a range of 0 - 20 V between the generator "B" terminal and ground. (Connect the positive lead of the voltmeter to the "B" terminal, and then connect the negative lead of the voltmeter to ground.)
6. Connect the negative battery cable.
7. Connect an engine tachometer or scan tool MB991958.
8. Leave the hood open.
9. Check to be sure that the reading on the voltmeter is equal to the battery positive voltage.

NOTE: If the voltage is 0 V, the cause is probably an open circuit in the wire or fusible link between the generator "B" terminal and the battery positive terminal or malfunctioning voltmeter.

10. After turning on the headlights, start the engine.

NOTE: Because the current from the battery will soon drop after the engine is started, step 11 should be carried out as quickly as possible in order to obtain the maximum current output value.

11. Immediately after setting the headlights to high beam and turning the heater blower switch to the highest position, increase the engine speed to 2,500 r/min and read the maximum current output value displayed on the ammeter.

Limit value: 70 % of nominal current output

NOTE:
- For the nominal current output, refer to the Generator Specifications.
- The current output value will depend on the electrical load and the temperature of the generator body.
- If the electrical load is small while testing, the specified level of current may not be output even though the generator is normal. In such cases, increase the electrical load by leaving the headlights turned on for some time to discharge the battery or by using the lighting system in another vehicle, and then test again.
- The specified level of current also may not be output if the temperature of the generator body or the ambient temperature is too high. In such cases, cool the generator and then test again.

12. The reading on the ammeter should be above the limit value. If the reading is below the limit value and the generator output wire is normal, remove the generator from the engine and check the generator.
13. Run the engine at idle speed after the test.
14. Turn the ignition switch to the "LOCK" (OFF) position.
15. Disconnect the engine tachometer or scan tool MB991958.
16. Disconnect the negative battery cable.
17. Disconnect the ammeter and voltmeter.
18. Connect the negative battery cable.
19. Run the engine for 10 minutes at an idle.