LEMON Manuals: Even more car manuals for everyone: 1960-2025
Home >> Mitsubishi >> 2007 >> Endeavor LS, AWD >> Repair and Diagnosis >> Engine Performance >> System >> Emission Control >> Evaporative Emission Control System >> System Diagram
April 5, 2026: LEMON Manuals is launched! Read the announcement.

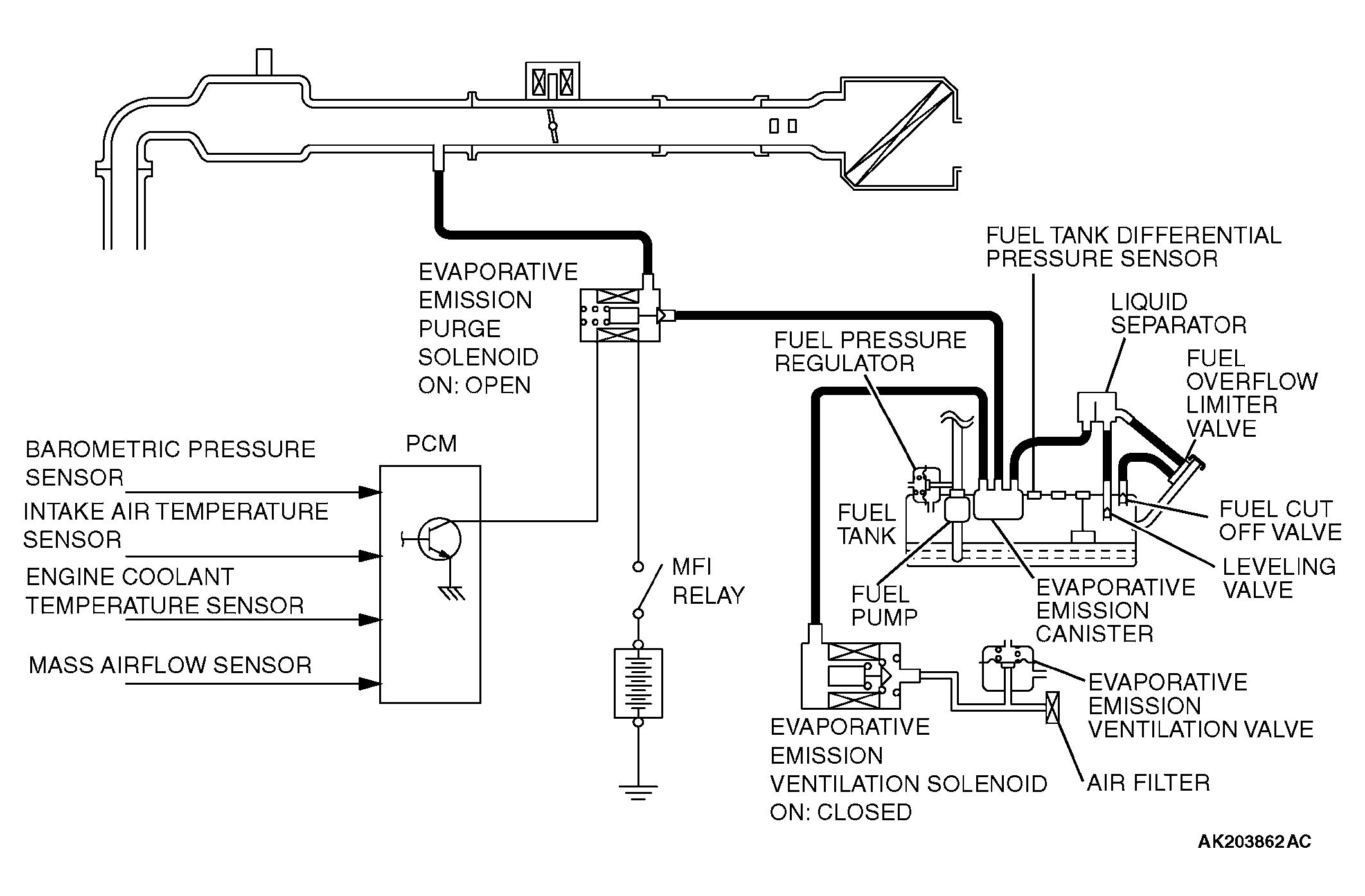
System Diagram

Fig 1: Evaporative Emission Control System Diagram
G04310789Courtesy of MITSUBISHI MOTOR SALES OF AMERICA.