LEMON Manuals: Even more car manuals for everyone: 1960-2025
Home >> Mitsubishi >> 2007 >> Lancer Automatic >> Repair and Diagnosis (Single Page) >> Accessories & Equipment >> Communication Devices >> Simplified Wiring System - Lancer >> Symptom Procedures >> Keyless Entry System >> General Circuit Diagram For The Keyless Entry System
April 5, 2026: LEMON Manuals is launched! Read the announcement.

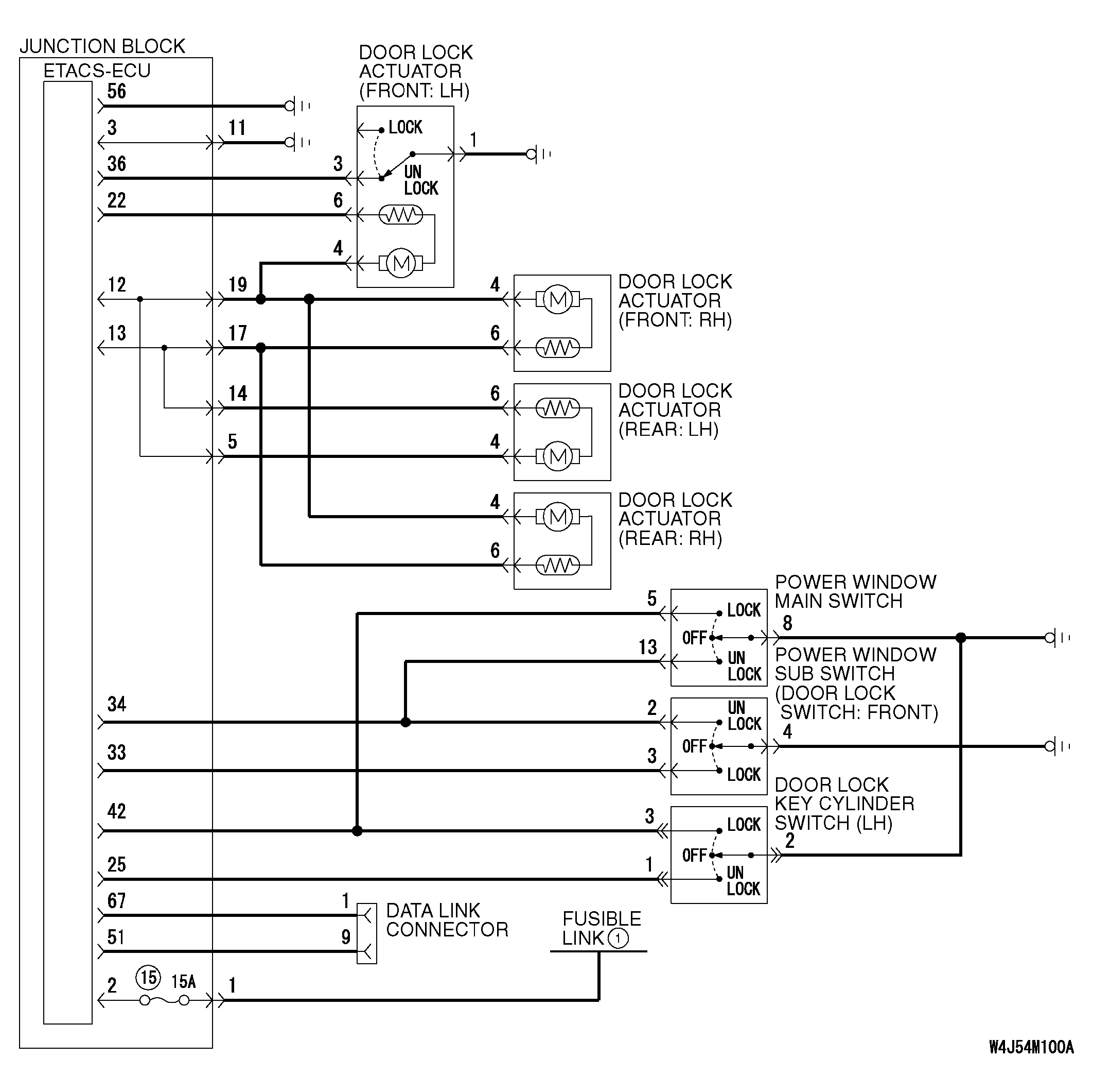
General Circuit Diagram For The Keyless Entry System

Fig 1: General Circuit Diagram For Keyless Entry System (1 Of 2)
G04279314Courtesy of MITSUBISHI MOTOR SALES OF AMERICA.
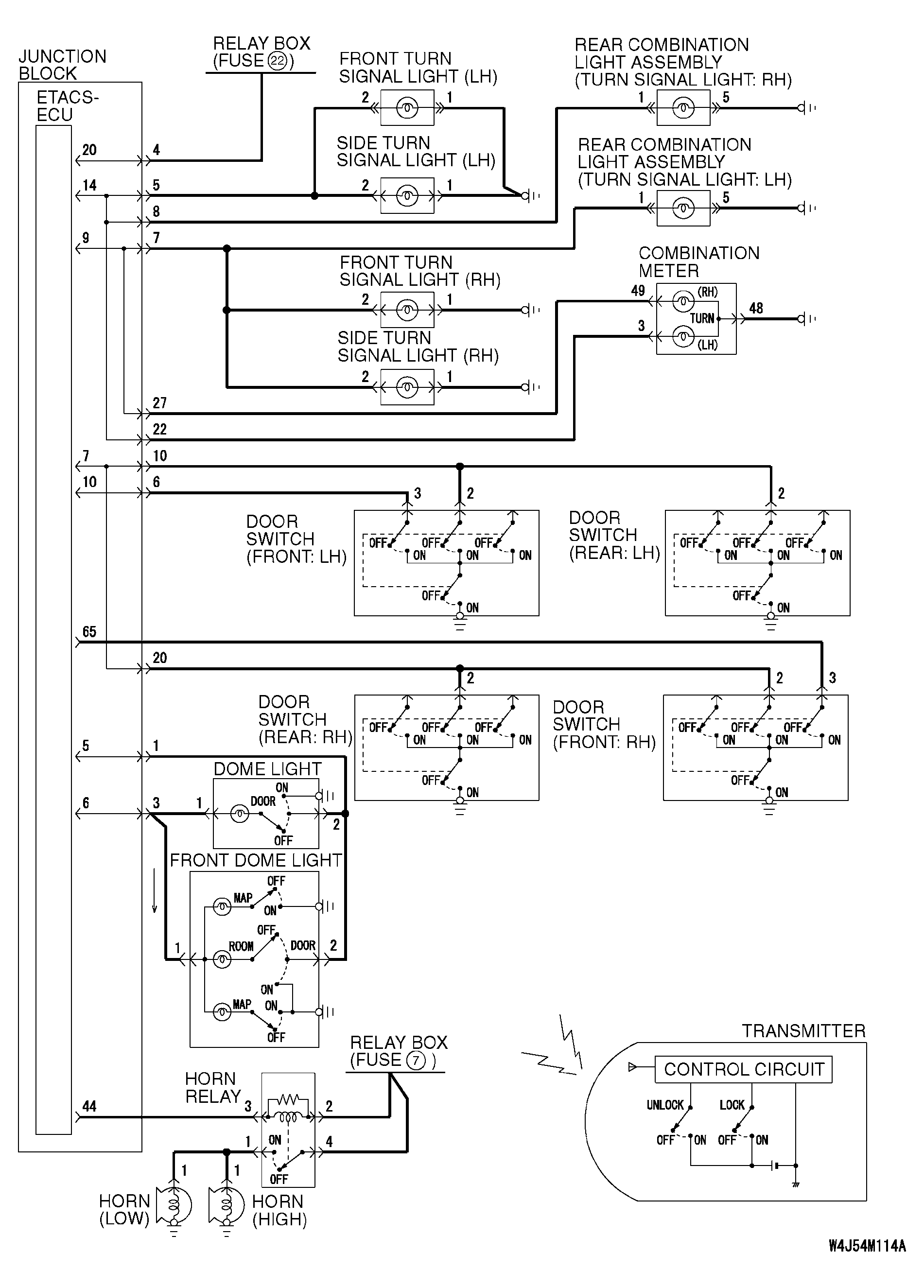
Fig 2: General Circuit Diagram For Keyless Entry System (2 Of 2)
G04279315Courtesy of MITSUBISHI MOTOR SALES OF AMERICA.