LEMON Manuals: Even more car manuals for everyone: 1960-2025
Home >> Mitsubishi >> 2007 >> Raider DuroCross >> Repair and Diagnosis >> Engine Performance >> Engine Control Systems >> Electronic Control Modules >> Diagnosis And Testing >> *No Response From Abs (Antilock Brake Module) >> Notes
April 5, 2026: LEMON Manuals is launched! Read the announcement.

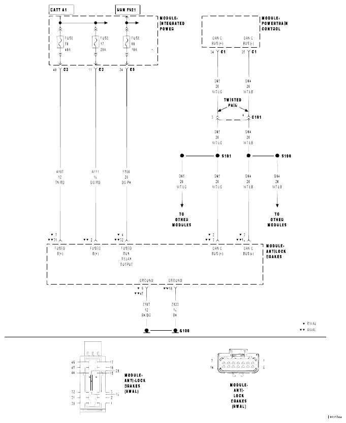
*No Response From Abs (Antilock Brake Module): Notes

Fig 1: Antilock Brake Module Circuit Diagram
G04853363Courtesy of MITSUBISHI MOTOR SALES OF AMERICA.

For a complete wiring diagram  , refer to appropriate SYSTEM WIRING DIAGRAMS article.

Possible Causes
(A107) (A111) FUSED B (+) CIRCUIT OPEN OR SHORTED 
(Z107) (Z923) GROUND CIRCUIT OPEN 
(F500) FUSED RUN RELAY OUTPUT CIRCUIT OPEN OR SHORTED 
(D65) CAN C BUS (+) CIRCUIT OPEN 
(D64) CAN C BUS (-) CIRCUIT OPEN 
ANTILOCK BRAKE MODULE