LEMON Manuals: Even more car manuals for everyone: 1960-2025
Home >> Mitsubishi >> 2007 >> Raider SE >> Repair and Diagnosis (Single Page) >> Engine Performance >> System >> Engine Electrical Diagnostics (4 Of 5) >> DTC P0462-Fuel Level Sensor 1 Circuit Low >> Notes
April 5, 2026: LEMON Manuals is launched! Read the announcement.

DTC P0462-Fuel Level Sensor 1 Circuit Low: Notes

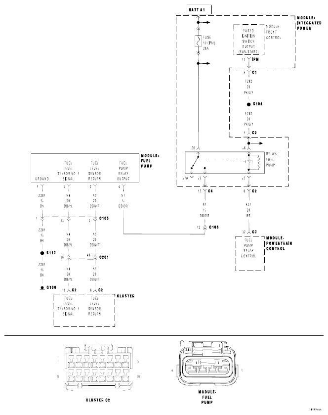
Fig 1: Fuel Level Sensor Circuit - Circuit Diagram
G04854180Courtesy of MITSUBISHI MOTOR SALES OF AMERICA.

For a complete wiring diagram, refer to appropriate SYSTEM WIRING DIAGRAMS article.

Possible Causes
(N4) FUEL LEVEL SIGNAL CIRCUIT SHORTED TO GROUND 
(N4) FUEL LEVEL SIGNAL CIRCUIT SHORTED TO THE (N5) FUEL LEVEL SENSOR RETURN CIRCUIT 
FUEL LEVEL SENSOR 
INSTRUMENT CLUSTER 

Always perform the PRE-DIAGNOSTIC TROUBLESHOOTING PROCEDURE before proceeding.