LEMON Manuals: Even more car manuals for everyone: 1960-2025
Home >> Mitsubishi >> 2007 >> Raider SE >> Repair and Diagnosis (Single Page) >> Engine Performance >> System >> Engine Electrical Diagnostics (4 Of 5) >> DTC P0582-Speed Control Vacuum Control Circuit >> Notes
April 5, 2026: LEMON Manuals is launched! Read the announcement.

DTC P0582-Speed Control Vacuum Control Circuit: Notes

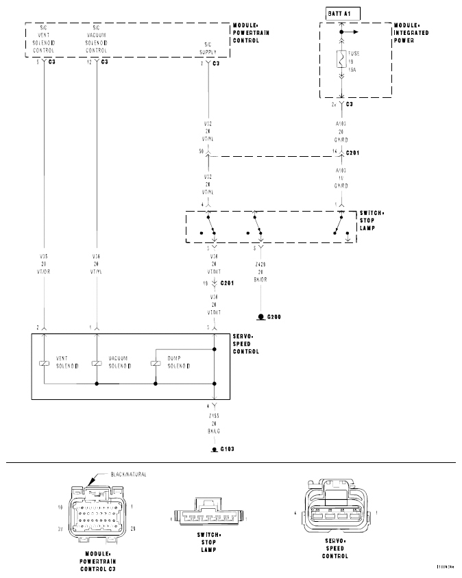
Fig 1: Speed Control Servo Circuit - Circuit Diagram
G04854262Courtesy of MITSUBISHI MOTOR SALES OF AMERICA.

For a complete wiring diagram, refer to appropriate SYSTEM WIRING DIAGRAMS article.

Possible Causes
(V32) S/C SUPPLY CIRCUIT OPEN 
(V32) S/C SUPPLY SHORT TO GROUND 
(V36) S/C VACUUM SOL CONTROL CIRCUIT SHORTED TO GROUND 
(V36) S/C VACUUM SOL CONTROL CIRCUIT OPEN 
(Z155) GROUND CIRCUIT OPEN 
SPEED CONTROL VACUUM SOLENOID 
PCM 

Always perform the PRE-DIAGNOSTIC TROUBLESHOOTING PROCEDURE before proceeding.