LEMON Manuals: Even more car manuals for everyone: 1960-2025
Home >> Mitsubishi >> 2007 >> Raider SE >> Repair and Diagnosis (Single Page) >> Engine Performance >> System >> Engine Electrical Diagnostics (4 Of 5) >> DTC P0622-Generator Field Control Circuit >> Notes
April 5, 2026: LEMON Manuals is launched! Read the announcement.

DTC P0622-Generator Field Control Circuit: Notes

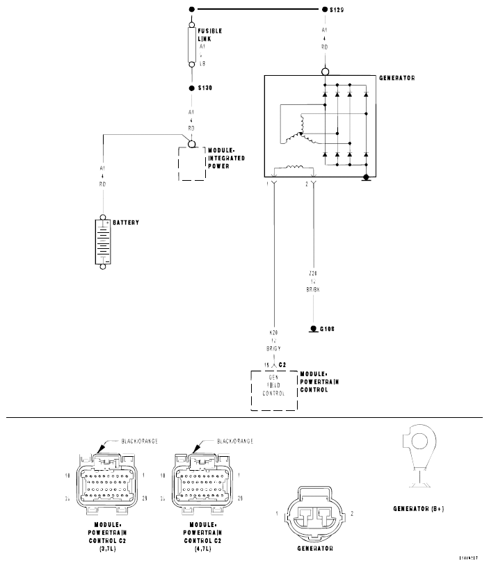
Fig 1: Generator Field Control Circuit Diagram
G04854288Courtesy of MITSUBISHI MOTOR SALES OF AMERICA.

For a complete wiring diagram, refer to appropriate SYSTEM WIRING DIAGRAMS article.

Possible Causes
(K20) GEN FIELD CONTROL CIRCUIT SHORTED TO BATTERY VOLTAGE 
(K20) GEN FIELD CONTROL CIRCUIT OPEN 
(K20) GEN FIELD CONTROL CIRCUIT SHORTED TO GROUND 
(Z20) GROUND CIRCUIT OPEN 
GENERATOR 
PCM 

Always perform the PRE-DIAGNOSTIC TROUBLESHOOTING PROCEDURE before proceeding.