LEMON Manuals: Even more car manuals for everyone: 1960-2025
Home >> Mitsubishi >> 2008 >> Lancer ES, Standard >> Repair and Diagnosis (Single Page) >> Brakes >> Traction Control >> Anti-Lock Braking System (Abs) - Lancer >> Specifications >> Main Components And Functions >> System Configuration
April 5, 2026: LEMON Manuals is launched! Read the announcement.

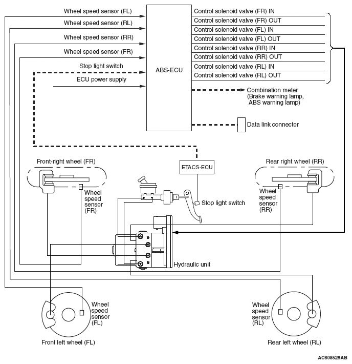
System Configuration

Fig 1: Anti-Lock Braking System Diagram
G05376330Courtesy of MITSUBISHI MOTOR SALES OF AMERICA.
NOTE: Dashed lines indicate the CAN bus communication lines.