LEMON Manuals: Even more car manuals for everyone: 1960-2025
Home >> Mitsubishi >> 2008 >> Lancer Evolution GSR >> Repair and Diagnosis (Single Page) >> Body & Frame >> Ignition Switch/Steering Lock >> Chassis Electrical - Lancer Evolution (2 Of 5) >> Rear Combination Light >> Diagnosis >> Diagnostic Trouble Code Procedures >> DTC B16A1: Taillight (LH) Circuit Open (Open Circuit In Taillight (LH), Position Light (LH), Or License Plate Light); DTC B16A8: Taillight (LH) Circuit Short (Short Circuit In Taillight (LH), Position Light (LH), Or License Plate Light) >> Notes
April 5, 2026: LEMON Manuals is launched! Read the announcement.

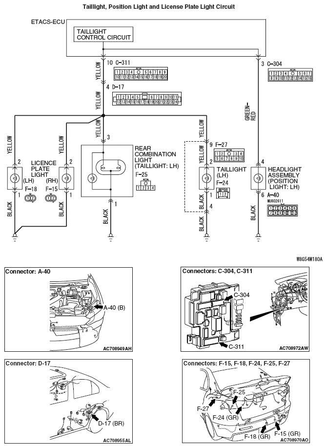
DTC B16A1: Taillight (LH) Circuit Open (Open Circuit In Taillight (LH), Position Light (LH), Or License Plate Light); DTC B16A8: Taillight (LH) Circuit Short (Short Circuit In Taillight (LH), Position Light (LH), Or License Plate Light): Notes

Fig 1: Taillight, Position Light And License Plate Light Circuit Diagram
G05396856Courtesy of MITSUBISHI MOTOR SALES OF AMERICA.