LEMON Manuals: Even more car manuals for everyone: 1960-2025
Home >> Mitsubishi >> 2009 >> Eclipse GS, Standard >> Repair and Diagnosis (Single Page) >> Accessories & Equipment >> Communication Devices >> Controller Area Network (Can) >> Diagnosis >> Can Bus Diagnostics >> Diagnostic Item 14: Diagnose When The Scan Tool Cannot Receive The Data Sent By The ECM < M/T > Or The Pcm < A/T > And Abs-Ecu < Vehicles Without TCL Or ASC > Or Abs/TCL-Ecu < Vehicles With TCL > Or TCL/ASC-Ecu < Vehicles With ASC > < Eclipse SPYDER > >> Notes
April 5, 2026: LEMON Manuals is launched! Read the announcement.

Diagnostic Item 14: Diagnose When The Scan Tool Cannot Receive The Data Sent By The ECM < M/T > Or The Pcm < A/T > And Abs-Ecu < Vehicles Without TCL Or ASC > Or Abs/TCL-Ecu < Vehicles With TCL > Or TCL/ASC-Ecu < Vehicles With ASC > < Eclipse SPYDER >: Notes

CAUTION: When servicing a CAN bus line, ground yourself by touching a metal object such as an unpainted water pipe. If you fail to do so, a component connected to the CAN bus line may be damaged.
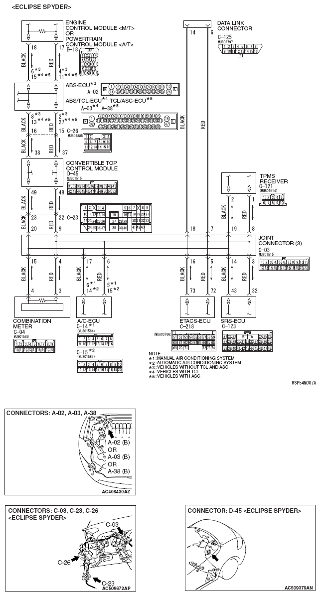
Fig 1: CAN Bus Line Circuit Diagram (Eclipse Spyder)
G05892636Courtesy of MITSUBISHI MOTOR SALES OF AMERICA.