LEMON Manuals: Even more car manuals for everyone: 1960-2025
Home >> Mitsubishi >> 2009 >> Eclipse GT, Automatic >> Repair and Diagnosis >> Brakes >> Traction Control >> Traction Control/Active Skid Control System >> TCL/ASC Diagnosis >> Diagnostic Trouble Code Procedures < TCL/ASC-Ecu > >> DTC C1505: Steering Angle Sensor; DTC C1506: Steering Angle Sensor Error >> Notes
April 5, 2026: LEMON Manuals is launched! Read the announcement.

DTC C1505: Steering Angle Sensor; DTC C1506: Steering Angle Sensor Error: Notes

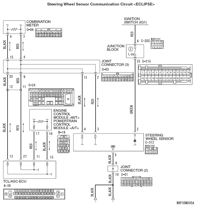
Fig 1: Steering Wheel Sensor Communication Circuit Diagram (Eclipse)
G05435510Courtesy of MITSUBISHI MOTOR SALES OF AMERICA.
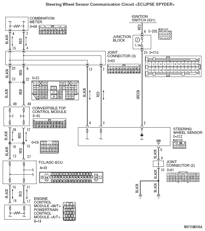
Fig 2: Steering Wheel Sensor Communication Circuit Diagram - Eclipse Spyder (1 Of 2)
G05435511Courtesy of MITSUBISHI MOTOR SALES OF AMERICA.
Fig 3: Steering Wheel Sensor Communication Circuit Diagram - Eclipse Spyder (2 Of 2)
G05435512Courtesy of MITSUBISHI MOTOR SALES OF AMERICA.
CAUTION: If there is any problem in the CAN bus lines, an incorrect diagnostic trouble code may be set. Prior to this diagnosis, diagnose the CAN bus lines.
CAUTION: The steering wheel sensor-related DTC may be set when DTC C1506 is set. Diagnose the steering wheel sensor first when the steering wheel sensor-related DTC is set.