LEMON Manuals: Even more car manuals for everyone: 1960-2025
Home >> Mitsubishi >> 2009 >> Eclipse L4-2.4L (4G69) >> Repair and Diagnosis >> Powertrain Management >> Computers and Control Systems >> Information Bus >> Testing and Inspection >> Component Tests and General Diagnostics >> CAN Bus Diagnostics >> Diagnostic Item 1 >> Part 1
April 5, 2026: LEMON Manuals is launched! Read the announcement.

Part 1

DIAGNOSTIC ITEM 1: Diagnose shorts in the power supply to CAN bus line

CAUTION: When servicing a CAN bus line, ground yourself by touching a metal object such as an unpainted water pipe. If you fail to do so, a component connected to the CAN bus line may be damaged.





Part 1:




Part 2:






FUNCTION
When diagnosing the CAN bus lines, the scan tool MB991958 measures the voltage of CAN_H and CAN_L line and detects the short to power supply or ground.

TROUBLE JUDGEMENT CONDITIONS
The scan tool MB991958 judges the trouble when it is impossible to receive the periodically sent data and the voltage of CAN_H or CAN_L line is more than 4.0 volts.

TROUBLESHOOTING HINTS
- The wiring harness may be defective (CAN bus lines for a short to the power supply).
- Short to power supply of the connector
- Each ECU may be defective (short to power supply in the ECU)

DIAGNOSIS

Required Special Tools:
- MB991223: Harness Set
- MB992006: Extra Fine Probe
- MB991958: Scan Tool (M.U.T.-III Sub Assembly)
- MB991824: Vehicle Communication Interface (V.C.I.)
- MB991827: M.U.T.-III USB Cable
- MB991910: M.U.T.-III Main Harness A

- MB991923: Power plant ECU Check Harness
- MB991974: ABS Check Harness
- MB991997: ASC Check Harness

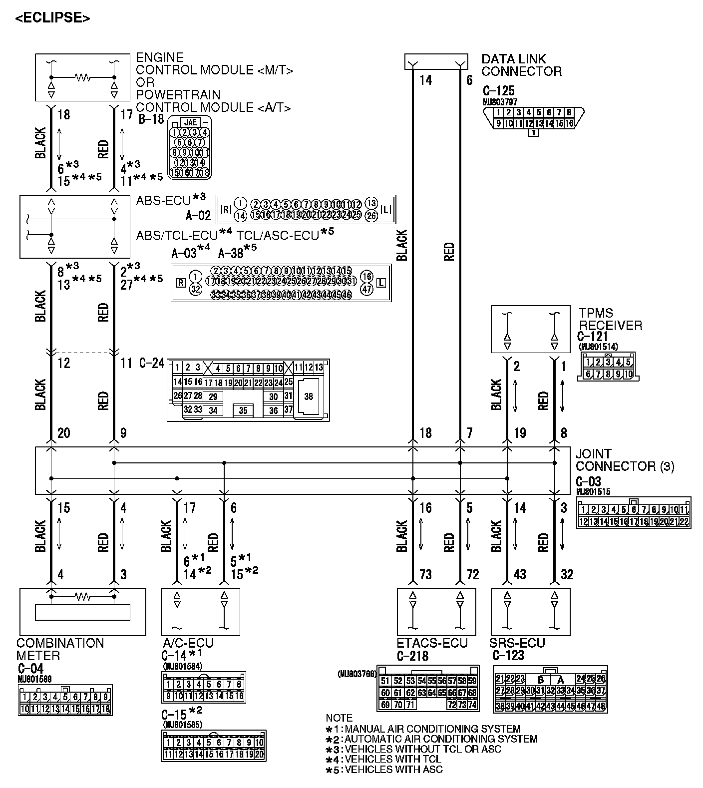
STEP 1. Check the CAN bus lines for a short to the power supply. Measure the voltage at data link connector C-125.

CAUTION:
- A digital multimeter should be used.
- The test wiring harness should be used.


NOTE: This inspection allows you to check that there is a short to power supply in either CAN_H line or CAN_L line.







1. Disconnect ECM [M/T] or PCM [A/T] connector B-18 and combination meter connector C-04, and measure the voltage at the harness side of data link connector C-125.
2. Turn the ignition switch to the "ON" position.







3. Measure the voltage between data link connector terminal 6 (CAN_H) and body ground.

OK: 4.0 volts or less







4. Measure the voltage between data link connector terminal 14 (CAN_L) and body ground.

OK: 4.0 volts or less

Q: Is the check result normal?

YES : Go to Step 19.

NO : Go to Step 2.

STEP 2. Check the CAN line of the front wiring harness for a short to the power supply. Measure the voltage at intermediate connector C-24 [ECLIPSE] or C-23 [ECLIPSE SPYDER].







1. Disconnect intermediate connector C-24 [ECLIPSE] or C-23 [ECLIPSE SPYDER], and measure the voltage at the male side (at front wiring harness side [ECLIPSE] or floor wiring harness side [ECLIPSE SPYDER]).
2. Turn the ignition switch to the "ON" position.







3. Measure the voltage between intermediate connector (C-24) terminal 11 (CAN_H) and body ground. [ECLIPSE]

OK: 4.0 volts or less







4. Measure the voltage between intermediate connector (C-24) terminal 12 (CAN_L) and body ground. [ECLIPSE]

OK: 4.0 volts or less







5. Measure the voltage between intermediate connector (C-23) terminal 22 (CAN_H) and body ground. [ECLIPSE SPYDER]

OK: 4.0 volts or less







6. Measure the voltage between intermediate connector (C-23) terminal 23 (CAN_L) and body ground. [ECLIPSE SPYDER]

OK: 4.0 volts or less

Q: Is the check result normal?

YES : Go to Step 3.

NO [ECLIPSE] : Go to Step 13.

NO [ECLIPSE SPYDER] : Go to Step 14.

STEP 3. Check the CAN line between joint connector (3) and the combination meter for a short to the power supply. Measure the voltage at joint connector (3) C-03.







1. Disconnect joint connector (3) C-03, and measure the voltage at the wiring harness side of joint connector (3) C-03.
2. Turn the ignition switch to the "ON" position.







3. Measure the voltage between joint connector (3) terminal 4 (CAN_H) and body ground.

OK: 4.0 volts or less







4. Measure the voltage between joint connector (3) terminal 15 (CAN_L) and body ground

OK: 4.0 volts or less

CAUTION: Strictly observe the specified wiring harness repair procedure.

Q: Is the check result normal?

YES : Go to Step 4.

NO : Repair the wiring harness between joint connector (3) and the combination meter connector.

STEP 4. Check the CAN line between joint connector (3) and the ETACS-ECU for a short to the power supply. Measure the voltage at joint connector (3) C-03.







1. Disconnect joint connector (3) C-03, and measure the voltage at the wiring harness side of joint connector (3) C-03.
2. Turn the ignition switch to the "ON" position.







3. Measure the voltage between joint connector (3) terminal (CAN_H) and body ground.

OK: 4.0 volts or less







4. Measure the voltage between joint connector (3) terminal 16 (CAN_L) and body ground.

OK: 4.0 volts or less

Q: Is the check result normal?

YES : Go to Step 5.

NO : Go to Step 9.

STEP 5. Check the CAN line between joint connector (3) and the A/C-ECU for a short to the power supply. Measure the voltage at joint connector (3) C-03.







1. Disconnect joint connector (3) C-03, and measure the voltage at the wiring harness side of joint connector (3) C-03.
2. Turn the ignition switch to the "ON" position.







3. Measure the voltage between joint connector (3) terminal 6 (CAN_H) and body ground.

OK: 4.0 volts or less







4. Measure the voltage between joint connector (3) terminal 17 (CAN_L) and body ground.

OK: 4.0 volt or less

Q: Is the check result normal?

YES : Go to Step 6.

NO : Go to Step 10.

STEP 6. Check the CAN line between joint connector (3) and the SRS-ECU for short to the power supply. Measure the voltage at joint connector (3) C-03.







1. Disconnect joint connector (3) C-03, and measure the voltage at the wiring harness side of joint connector (3) C-03.
2. Turn the ignition switch to the "ON" position.







3. Measure the voltage between joint connector (3) terminal 3 (CAN_H) and body ground.

OK: 4.0 volts or less







4. Measure the voltage between joint connector (3) terminal 14 and body ground.

OK: 4.0 volt or less

Q: Is the check result normal?

YES : Go to Step 7.

NO : Go to Step 11.

STEP 7. Check the CAN line between joint connector (3) and the TPMS receiver for short to the power supply. Measure the voltage at joint connector (3) C-03.







1. Disconnect joint connector (3) C-03, and measure the voltage at the wiring harness side of joint connector (3) C-03.
2. Turn the ignition switch to the "ON" position.







3. Measure the voltage between joint connector (3) terminal 8 (CAN_H) and body ground.

OK: 4.0 volts or less







4. Measure the voltage between joint connector (3) terminal 19 and body ground.

OK: 4.0 volt or less

Q: Is the check result normal?

YES : Go to Step 8.

NO : Go to Step 12.

STEP 8. Check the CAN line between joint connector (3) and the data link connector for a short to the power supply. Measure the voltage at joint connector (3) C-03.







1. Disconnect joint connector (3) C-03, and measure the voltage at the wiring harness side of joint connector (3) C-03.
2. Turn the ignition switch to the "ON" position.







3. Measure the voltage between joint connector (3) terminal 7 (CAN_H) and body ground.

OK: 1.0 volt or less







4. Measure the voltage between joint connector (3) terminal 18 (CAN_L) and body ground.

OK: 1.0 volt or less

CAUTION: Strictly observe the specified wiring harness repair procedure.

Q: Is the check result normal?

YES : Repair the wiring harness between joint connector (3) and the intermediate connector, or the intermediate connector C-24 [ECLIPSE] or C-23 [ECLIPSE SPYDER].

NO : Repair the wiring harness between joint connector (3) and the data link connector, or the data link connector.

STEP 9. Check the ETACS-ECU for a short to the power supply.







1. Disconnect ETACS-ECU connector C-218.

CAUTION: To prevent damage to scan tool MB991958, always turn the ignition switch to the "LOCK" (OFF) position before connecting or disconnecting scan tool MB991958.







2. Connect scan tool MB991958 to the data link connector.







3. Diagnose CAN bus lines, and check if scan tool MB991958 screen is as shown in the illustration.

Q: Does scan tool MB991958 screen correspond to the illustration?

YES : Repair the wiring harness between joint connector (3) and the ETACS-ECU connector.

NO : Check the ETACS-ECU connector, and repair if necessary. If the ETACS-ECU connector is in good condition, replace the ETACS-ECU. When the ETACS-ECU is replaced, register the encrypted code.

STEP 10. Check the A/C-ECU for a short to the power supply.







1. Disconnect A/C-ECU connector C-14 [manual air conditioning system] or C-15 [automatic air conditioning system].

CAUTION: To prevent damage to scan tool MB991958, always turn the ignition switch to the "LOCK" (OFF) position before connecting or disconnecting scan tool MB991958.







2. Connect scan tool MB991958 to the data link connector.







3. Diagnose CAN bus lines, and check if scan tool MB991958 screen is as shown in the illustration.

Q: Does scan tool MB991958 screen correspond to the illustration?

YES : Repair the wiring harness between joint connector (3) and the A/C-ECU connector.

NO : Check the A/C-ECU connector, and repair if necessary. If the A/C-ECU connector is in good condition, replace the A/C-ECU.

STEP 11. Check the SRS-ECU for a short to the power supply.







1. Disconnect SRS-ECU connector C-123.

CAUTION: To prevent damage to scan tool MB991958, always turn the ignition switch to the "LOCK" (OFF) position before connecting or disconnecting scan tool MB991958.







2. Connect scan tool MB991958 to the data link connector.







3. Diagnose CAN bus lines, and check if scan tool MB991958 screen is as shown in the illustration.

Q: Does scan tool MB991958 screen correspond to the illustration?

YES : Repair the wiring harness between joint connector (3) and the SRS-ECU connector.

NO : Check the SRS-ECU connector, and repair if necessary. If the SRS-ECU connector is in good condition, refer to SRS Air Bag Diagnosis. Symptom Related Diagnostic Procedures

STEP 12. Check the TPMS receiver for a short to the power supply.







1. Disconnect TPMS receiver connector C-121.

CAUTION: To prevent damage to scan tool MB991958, always turn the ignition switch to the "LOCK" (OFF) position before connecting or disconnecting scan tool MB991958.







2. Connect scan tool MB991958 to the data link connector.







3. Diagnose CAN bus lines, and check if scan tool MB991958 screen is as shown in the illustration.

Q: Does scan tool MB991958 screen correspond to the illustration?

YES : Repair the wiring harness between joint connector (3) and the TPMS receiver connector.

NO : Check the TPMS receiver connector, and repair if necessary. If the TPMS receiver connector is in good condition, refer to TPMS Diagnosis. Diagnostic Trouble Code Descriptions