LEMON Manuals: Even more car manuals for everyone: 1960-2025
Home >> Mitsubishi >> 2009 >> Eclipse L4-2.4L (4G69) >> Repair and Diagnosis >> Powertrain Management >> Computers and Control Systems >> Information Bus >> Testing and Inspection >> Component Tests and General Diagnostics >> CAN Bus Diagnostics >> Diagnostic Item 14
April 5, 2026: LEMON Manuals is launched! Read the announcement.

Diagnostic Item 14

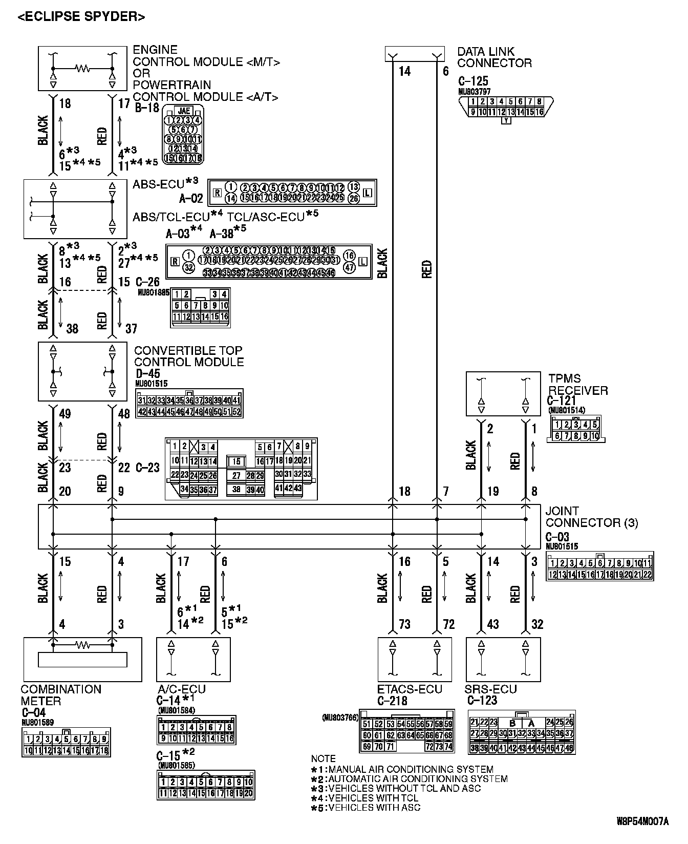
DIAGNOSTIC ITEM 14: Diagnose when the scan tool cannot receive the data sent by the ECM [M/T] or the PCM [A/T] and ABS-ECU [vehicles without TCL or ASC] or ABS/TCL-ECU [vehicles with TCL] or TCL/ASC-ECU [vehicles with ASC]. [ECLIPSE SPYDER]

CAUTION: When servicing a CAN bus line, ground yourself by touching a metal object such as an unpainted water pipe. If you fail to do so, a component connected to the CAN bus line may be damaged.


Part 1:




Part 2:






FUNCTION
The diagnostic result demonstrates that "the scan tool cannot receive the sent data from the ECM [M/T] or PCM [A/T] and ABS-ECU [vehicles without TCL or ASC] or ABS/TCL-ECU [vehicles with TCL] or TCL/ASC-ECU [vehicles with ASC]" when the scan tool MB991958 checks the periodically sent data from each ECU and cannot receive ABS-ECU [vehicles without TCL or ASC] or ABS/TCL-ECU [vehicles with TCL] or TCL/ASC-ECU [vehicles with ASC] and ECM [M/T] or PCM [A/T] data only.

TROUBLE JUDGEMENT CONDITIONS
Scan tool MB991958 judges the trouble when the periodically sent data from ABS-ECU [vehicles without TCL or ASC] or ABS/TCL-ECU [vehicles with TCL] or TCL/ASC-ECU [vehicles with ASC] and ECM [M/T] or PCM [A/T] cannot be received and sent.

TROUBLESHOOTING HINTS
- The wiring harness may be defective [open circuit between ABS-ECU [vehicles without TCL or ASC] or ABS/TCL-ECU [vehicles with TCL] or TCL/ASC-ECU [vehicles with ASC] and convertible top control module or open circuit between ABS-ECU [vehicles without TCL or ASC] or ABS/TCL-ECU [vehicles with TCL] or TCL/ASC-ECU [vehicles with ASC] and ECM [M/T] or PCM [A/T]]
- The connector may be defective [poor connection of convertible top control module or ABS-ECU [vehicles without TCL or ASC] or ABS/TCL-ECU [vehicles with TCL] or TCL/ASC-ECU [vehicles with ASC] connector or ECM [M/T] or PCM [A/T]]
- The convertible top control module may be defective (internal open circuit)
- The ABS-ECU [vehicles without TCL or ASC] or ABS/TCL-ECU [vehicles with TCL] or TCL/ASC-ECU [vehicles with ASC] may be defective (internal open circuit)
- The ECM [M/T] or PCM [A/T] may be defective (internal open circuit)

DIAGNOSIS

Required Special Tools:
- MB991223: Harness Set
- MB992006: Extra fine probe
- MB991923: Power plant ECU Check Harness
- MB991974: ABS Check Harness
- MB991997: ASC Check Harness

STEP 1. Check convertible top control module connector D-45 and ABS-ECU connector A-02 [vehicles without TCL or ASC] or ABS/TCL-ECU connector A-03 [vehicles with TCL] or TCL/ASC-ECU connector A-38 [vehicles with ASC] for loose, corroded or damaged terminals, or terminals pushed back in the connector.







CAUTION: The strand end of the twisted wire should be within 10 cm (4.0 inches) from the connector.

Q: Are convertible top control module connector D-45 and ABS-ECU connector A-02 [vehicles without TCL or ASC] or ABS/TCL-ECU connector A-03 [vehicles with TCL] or TCL/ASC-ECU connector A-38 [vehicles with ASC] in good condition?

YES : Go to Step 2.

NO : Repair the damaged parts. Replace the joint connector as necessary.

STEP 2. Check the CAN bus lines between intermediate connector C-26 and convertible top control module connector D-45. Measure the resistance between intermediate connector C-26 and convertible top control module connector D-45.

CAUTION:
- A digital multimeter should be used.
- The test wiring harness should be used.


1. Turn the ignition switch to the "LOCK" (OFF) position.

CAUTION: Disconnect the negative battery terminal.

2. Disconnect the negative battery terminal.







3. Disconnect intermediate connector C-26 and convertible top control module D-45, and measure the resistance between the wiring harness side connector of convertible top control module D-45 and the male side connector of intermediate connector C-26 (at floor wiring harness side).







4. Measure the resistance between intermediate connector C-26 (terminal 15) and convertible top control module D-45 (terminal 37). OK: 2 ohms or less







5. Measure the resistance between intermediate connector C-26 (terminal 16) and convertible top control module D-45 (terminal 38).

OK: 2 ohms or less

CAUTION: Strictly observe the specified wiring harness repair procedure.

Q: Do all the resistances measure 2 ohms or less?

YES : Go to Step 3.

NO : Repair the wiring harness between intermediate connector C-26 and the convertible top control module D-45.

STEP 3. Check the CAN bus lines between intermediate connector C-26 and the ABS-ECU [vehicles without TCL or ASC] or ABS/TCL-ECU [vehicles with TCL] or TCL/ASC-ECU [vehicles with ASC]. Measure the resistance between intermediate connector C-26 and ABS-ECU connector A-02 [vehicles without TCL or ASC] or ABS/TCL-ECU connector A-03 [vehicles with TCL] or TCL/ASC-ECU connector A-38 [vehicles with ASC].

CAUTION:
- A digital multimeter should be used.
- The test wiring harness should be used.


1. Turn the ignition switch to the "LOCK" (OFF) position.

CAUTION: Disconnect the negative battery terminal.

2. Disconnect the negative battery terminal.







3. Disconnect intermediate connector C-26 and ABS-ECU connector A-02 [vehicles without TCL or ASC] or ABS/TCL-ECU connector A-03 [vehicles with TCL] or TCL/ASC-ECU connector A-38 [vehicles with ASC], and measure the resistance between the wiring harness side connector of ABS-ECU connector A-02 [vehicles without TCL or ASC] or ABS/TCL-ECU connector A-03 [vehicles with TCL] or TCL/ASC-ECU connector A-38 [vehicles with ASC] and the female side connector of intermediate connector C-26 (at front wiring harness side).







4. Measure the resistance between intermediate connector C-26 (terminal 15) and ABS-ECU [vehicles without TCL or ASC] connector A-02 (terminal 2).

OK: 2 ohms or less







5. Measure the resistance between intermediate connector C-26 (terminal 16) and ABS-ECU [vehicles without TCL or ASC] connector A-02 (terminal 8).

OK: 2 ohms or less







6. Measure the resistance between intermediate connector C-26 (terminal 15) and ABS/TCL-ECU [vehicles with TCL] connector A-03 (terminal 27).

OK: 2 ohms or less







7. Measure the resistance between intermediate connector C-26 (terminal 16) and ABS/TCL-ECU [vehicles with TCL] connector A-03 (terminal 13).

OK: 2 ohms or less

CAUTION: Strictly observe the specified wiring harness repair procedure.







8. Measure the resistance between intermediate connector C-26 (terminal 15) and TCL/ASC-ECU [vehicles with ASC] connector A-38 (terminal 27).

OK: 2 ohms or less







9. Measure the resistance between intermediate connector C-26 (terminal 16) and TCL/ASC-ECU [vehicles with ASC] connector A-38 (terminal 13).

OK: 2 ohms or less

CAUTION: Strictly observe the specified wiring harness repair procedure.

Q: Do all the resistances measure 2 ohms or less?

YES : Go to Step 4.

NO : Repair the wiring harness between intermediate connector C-26 and the ABS-ECU [vehicles without TCL or ASC] connector A-02 or ABS/TCL-ECU [vehicles with TCL] connector A-03 or TCL/ASC-ECU [vehicles with ASC] connector A-38.

STEP 4. Check the CAN bus lines inside the convertible top control module. Measure the resistance at convertible top control module connector D-45.







1. Disconnect convertible top control module connector D-45, and measure the resistance at the component side of convertible top control module connector D-45.







2. Measure the resistance between convertible top control module connector D-45 (terminals 48 and 37).

OK: 2 ohms or less







3. Measure the resistance between convertible top control module connector D-45 (terminals 49 and 38).

OK: 2 ohms or less

Q: Do all the resistances measure 2 ohms or less?

YES : Go to Step 5.

NO : Replace the convertible top control module.

STEP 5. Check the CAN bus lines inside the ABS-ECU [vehicles without TCL or ASC] or ABS/TCL-ECU [vehicles with TCL] or TCL/ASC-ECU [vehicles with ASC]. Measure the resistance at ABS-ECU connector A-02 [vehicles without TCL or ASC] or ABS/TCL-ECU connector A-03 [vehicles with TCL] or TCL/ASC-ECU connector A-38 [vehicles with ASC].







1. Disconnect ABS-ECU connector A-02 [vehicles without TCL or ASC] or ABS/TCL-ECU A-03 [vehicles with TCL] or TCL/ASC-ECU A-38 [vehicles with ASC], and measure the resistance at the component side of ABS-ECU connector A-02 [vehicles without TCL or ASC] or ABS/TCL-ECU connector A-03 [vehicles with TCL] or TCL/ASC-ECU connector A-38 [vehicles with ASC].







2. Measure the resistance between ABS-ECU [vehicles without TCL or ASC] connector A-02 (terminals 2 and 4).

OK: 2 ohms or less







3. Measure the resistance between ABS-ECU [vehicles without TCL or ASC] connector A-02 (terminals 8 and 6).

OK: 2 ohms or less







4. Measure the resistance between ABS/TCL-ECU [vehicles with TCL] connector A-03 (terminals 11 and 27).

OK: 2 ohms or less







5. Measure the resistance between ABS/TCL-ECU [vehicles with TCL] connector A-03 (terminals 13 and 15).

OK: 2 ohms or less







6. Measure the resistance between TCL/ASC-ECU [vehicles with ASC] connector A-38 (terminals 11 and 27).

OK: 2 ohms or less







7. Measure the resistance between TCL/ASC-ECU [vehicles with ASC] connector A-38 (terminals 13 and 15).

OK: 2 ohms or less

Q: Do all the resistances measure 2 ohms or less?

YES : Go to Step 6.

NO : Replace the ABS-ECU [vehicles without TCL or ASC] or ABS/TCL-ECU [vehicles with TCL] or TCL/ASC-ECU [vehicles with ASC].

STEP 6. Check the terminator resistor inside the ECM [M/T] or PCM [A/T]. Measure the resistance at ECM [M/T] or PCM [A/T] connector B-18.







1. Disconnect ECM [M/T] or PCM [A/T] connector B-18, and measure the resistance at the component side of ECM [M/T] or PCM [A/T] connector B-18.







2. Measure the resistance between ECM [M/T] or PCM [A/T] connector terminals 17 and 18.

OK: 120 ± 20 ohms

Q: Does the resistance measure 120 ± 20 ohms?

YES : Repair the wiring harness between the ECM [M/T] or PCM [A/T] connector and ABS-ECU connector A-02 [vehicles without TCL or ASC] or ABS/TCL-ECU connector A-03 [vehicles with TCL] or TCL/ASC-ECU connector A-38 [vehicles with ASC].

NO : Replace the ECM [M/T] or PCM [A/T]. When the ECM [M/T] or PCM [A/T] is replaced, register the encrypted code.