LEMON Manuals: Even more car manuals for everyone: 1960-2025
Home >> Mitsubishi >> 2009 >> Lancer ES, Standard >> Repair and Diagnosis (Single Page) >> Accessories & Equipment >> Communication Devices >> Controller Area Network (Can) >> Diagnosis >> Can Bus Diagnostics >> DIAGNOSTIC ITEM 21: Diagnose when the scan tool cannot receive the data sent by CAN box unit <vehicles with MMCS> >> Notes
April 5, 2026: LEMON Manuals is launched! Read the announcement.

DIAGNOSTIC ITEM 21: Diagnose when the scan tool cannot receive the data sent by CAN box unit <vehicles with MMCS>: Notes

CAUTION: When servicing a CAN bus line, ground yourself by touching a metal object such as an unpainted water pipe. If you fail to do so, a component connected to the CAN bus line may be damaged.
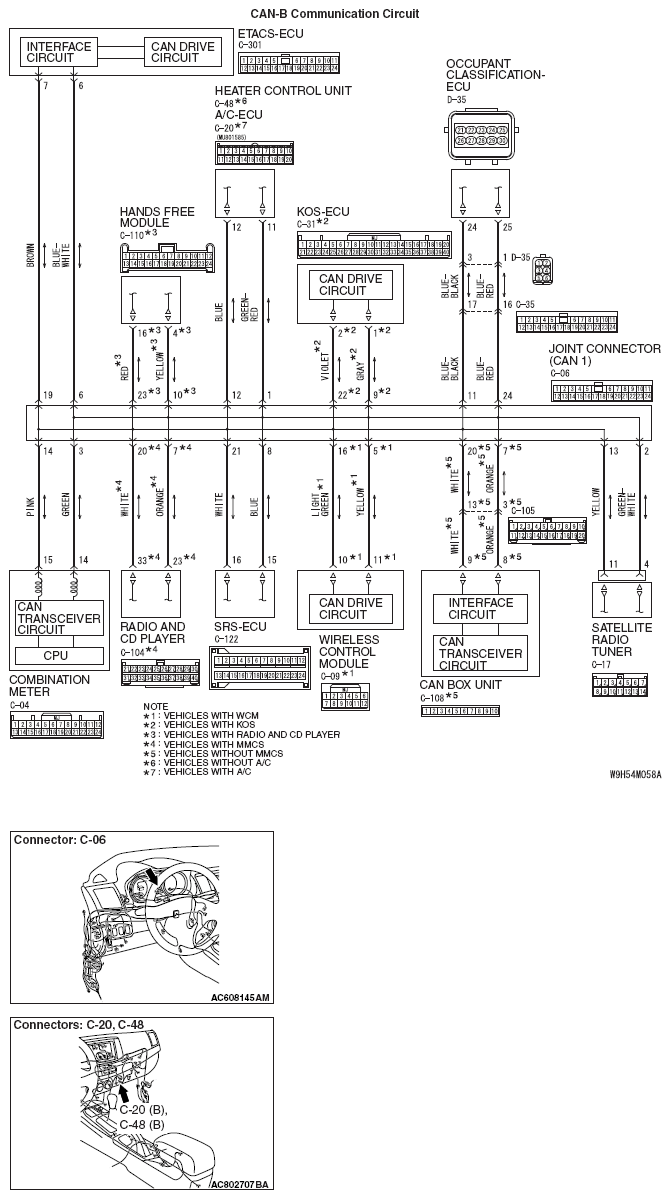
Fig 1: CAN-B Communication Circuit Diagram
G05907153Courtesy of MITSUBISHI MOTOR SALES OF AMERICA.