LEMON Manuals: Even more car manuals for everyone: 1960-2025
Home >> Mitsubishi >> 2009 >> Raider 2WD V6-3.7L >> Repair and Diagnosis >> Power and Ground Distribution >> Power Distribution Module >> Service and Repair >> Integrated Power Module
April 5, 2026: LEMON Manuals is launched! Read the announcement.

Integrated Power Module

INTEGRATED POWER MODULE

REMOVAL







1. Disconnect the battery negative cable.

2. Remove the Integrated Power Module (IPM) cover and remove the nut (5) from the IPM B+ terminal stud (6).
3. Remove the battery positive cable (4).






4. Remove the IPM (2) pushpin fasteners (1) from the battery tray (4).






5. Move the IPM (1) forward and up to disengage the locking tabs (2) from the battery tray locating slots (4).




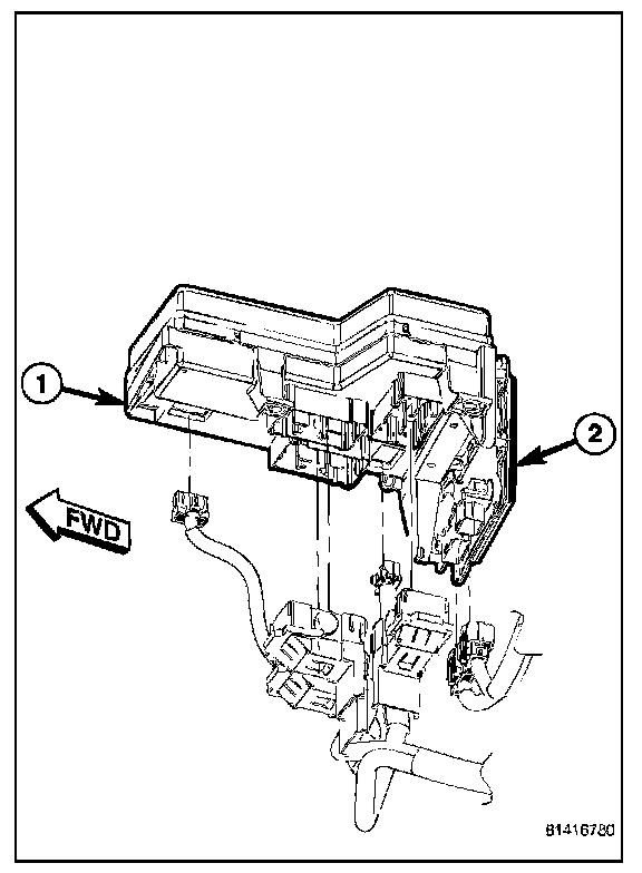
6. Lift the IPM up to access and disconnect the wiring harness connectors from the Power Distribution Center (1) and Front Control Module 2).
7. Remove the IPM assembly from the vehicle.

INSTALLATION







1. Connect the wiring harness connectors to the Power Distribution Center (1) and the Front Control Module (2).







2. Position the Integrated Power Module (IPM) (1) into the battery tray. Move the IPM down and rearward to engage the locking tabs (2) into the battery tray locating slots (4).







3. Install the IPM (2) pushpin fasteners (1) into the battery tray (4).






4. Position the battery positive cable (4) and install the nut (5) onto the IPM B+ terminal stud (6). Install the IPM cover.
5. Connect the battery negative cable.
6. Confirm proper vehicle operation.