LEMON Manuals: Even more car manuals for everyone: 1960-2025
Home >> Mitsubishi >> 2009 >> Raider 4WD V6-3.7L >> Repair and Diagnosis >> Transmission and Drivetrain >> Transfer Case >> Control Module >> Description and Operation >> Transfer Case Control Module
April 5, 2026: LEMON Manuals is launched! Read the announcement.

Transfer Case Control Module

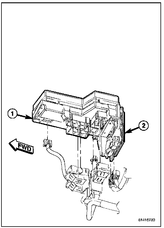
MODULE - TRANSFER CASE CONTROL

DESCRIPTION




The Front Control Module (FCM) (2) contains the software to control the electric shift transfer cases in this vehicle. A separate Transfer Case Control Module (TCCM) is not used. The FCM is a microprocessor-based assembly, controlling the 4X4 transfer case shift functions via the actuation of a shift motor and utilizing the feedback of a mode sensor assembly. Communication is via the CAN bus. Inputs include user selectable 4X4 modes that include 2WD, AWD, 4LOCK, 4LO, and Neutral, depending on the transfer case.

OPERATION

The Front Control Module (FCM) utilizes the input from the transfer case mounted mode sensor, the instrument panel mounted selector switch, and the following information from the vehicle's CAN bus to determine if a shift is allowed.
- Engine RPM and Vehicle Speed
- Diagnostic Requests
- Manual Transmission Clutch Switch
- Brake Applied
- PRNDL
- Ignition Status
- ABS Messages

Once the FCM determines that a requested shift is allowed, it actuates the bi-directional shift motor as necessary to achieve the desired transfer case operating mode. The FCM also monitors the mode sensor while controlling the shift motor to determine the status of the shift attempt.

Several items can cause the requested shift not to be completed. If the FCM has recognized a fault (DTC) of some variety, it will begin operation in one of four Functionality Levels. These levels are:
- Level Zero - Normal Operation.

- Level One - Only Mode Shifts Are Allowed.

- Level Two - Only Mode Shifts and Shifts Into LOW Are Allowed (No Neutral Shifts Are Allowed).

- Level Three - No Shifts Are Allowed The FCM can also be operating in one of three possible power modes. These power modes are:

- Full Power Mode is the normal operational mode of the module. This mode is achieved by normal CAN bus traffic being present and the ignition being in the RUN position.

- Reduced Power Mode will be entered when the ignition has been powered off. In this state, the module will shut down power supplied to external devices, and to electronic interface inputs and outputs. From this state the module can enter either Sleep Mode or Full Power Mode. To enter this mode, the module must receive an ignition message denoting that the ignition is off, or not receive any messages for 5 ± 0.5 seconds. To exit this mode, the module must receive one ignition message that denotes that the ignition is in the RUN position.

- Sleep Mode will be entered, from the Reduced Power Mode, when no CAN traffic has been sensed for 20 ± 1 seconds. If during Sleep Mode the module detects CAN bus traffic, it will revert to the Reduced Power mode while monitoring for ignition messages. It will remain in this state as long as there is traffic other than run or start messages, and will return to Sleep mode if the bus goes without traffic for 20 ± 1 seconds.

SHIFT REQUIREMENTS

If the FCM is in full power mode and at functionality level zero, it uses the following criteria to determine if a shift is allowed.

If any of the driver controllable conditions are not met once the shift request is recognized, the FCM may illuminate one or more of the 4WD system message icons in the instrument cluster display.

Mode shifts will be allowed regardless of transmission gear or vehicle speed, whenever the following conditions are met:
- Ignition key switch is in the RUN position.
- Front and rear wheel speed are within 21 km/hr (13 mph).
- A change in the Selector switch state indicates that a mode shift has been requested.
- A valid mode sensor signal is being sensed by the FCM.
- Proper transmit/receive messages are occurring on the CAN bus.
- An Anti-lock Brake System (ABS) event is not in progress.

Range shifts will be allowed only if all of the following conditions are met:
- Ignition key switch is in the RUN position.
- Front and rear wheel speed are within 21 km/hr (13 mph).
- A change in the Selector Switch state indicating a range shift has been requested.
- Transmission in NEUTRAL signal must be recognized for at least 1.5 seconds ± 100 msec. (Automatic transmissions only)
- Proper transmit/receive messages are occurring on the CAN bus.
- Clutch signal is recognized for 500 msec ± 50 msec (Manual transmissions only).
- Vehicle speed is less than or equal to 4.8 km/hr (3 miles per hour).
- A valid mode sensor signal is being sensed by the FCM.
- An Anti-lock Brake System (ABS) event is not in progress.

A shift into transfer case Neutral will be allowed only if all of the following conditions are met:
- Ignition key switch is in the RUN position, engine off.
- Front and rear wheel speed are within 21 km/hr (13 mph).
- The recessed Neutral Selection switch has been depressed continuously for 4.0 seconds ± 100 msec while all shift conditions have been continuously met.
- Transmission in NEUTRAL signal recognized from the bus. (Automatic transmissions only)
- Clutch signal is recognized from the bus (Manual transmissions only).
- Proper message transmissions/receptions are occurring on the CAN bus.
- Vehicle speed is less than or equal to 4.8 km/hr (3 miles per hour).
- Foot Brake is applied.
- A valid mode sensor signal is being sensed by the FCM.
- An Anti-lock Brake System (ABS) event is not in progress.

A shift out of transfer case Neutral will be allowed only if all of the following conditions are met:
- Ignition key switch is in the RUN position.
- Front and rear wheel speed are within 21 km/hr (13 mph).
- The recessed Neutral Selection switch has been depressed continuously for 1.0 seconds ± 100 msec while all shift conditions have been continuously met.
- Transmission in NEUTRAL signal recognized from the bus. (Automatic transmissions only)
- Clutch signal is recognized from the bus (Manual transmissions only).
- Proper message transmissions/receptions are occurring on the CAN bus.
- Vehicle speed is less than or equal to 4.8 km/hr (3 miles per hour).
- A valid mode sensor signal is being sensed by the FCM.
- An Anti-lock Brake System (ABS) event is not in progress.

LAMP STRATEGY

The following strategy for the FCM controlled transfer case system uses the instrument cluster VF display's 4LOCK, 4LO, Service 4WD, and Mode Switch Transfer Case Neutral LED. Flashing any of the lamps or LED is accomplished at a 2Hz rate.

NOTE: There is no lamp for the 2WD or AWD position. If no 4WD system message icons are illuminated in the instrument cluster, the operator is to assume that the transfer case is in the 2WD or AWD position.

- 2WD or AWD to 4LO - Successful shifts will flash 4LO during a shift, then after the 4LO position has been met, display the 4LO lamp solid. In the blocked condition, flash the 4LO lamp during the 5 Phase 1 shift attempts. After 5 unsuccessful attempts, the transfer case remains in 2WD or AWD and no lamps are illuminated. When shift conditions are not met, no shift attempts are made and the 4LO lamp is flashing.

- 2WD or AWD to 4LOCK - Successful shifts will flash 4LOCK during a shift, then after the 4LOCK position has been met, display the 4LOCK lamp solid. In the blocked condition, flash the 4LOCK lamp during the 5 Phase 1 shift attempts. After 5 unsuccessful attempts, the transfer case remains in 2WD or AWD and no lamps are illuminated. When shift conditions are not met, no shift attempts are made and the 4LOCK lamp is flashing.

- 4LOCK to 4LO - Successful shifts will turn off the 4LOCK lamp and flash 4LO during a shift, then after the 4LO position has been met, display the 4LO lamp solid. In the blocked condition, turn off 4LOCK and flash the 4LO lamp during the 5 Phase 1 shift attempts. After 5 unsuccessful attempts, the transfer case remains in 4LOCK and the 4LOCK lamp turns on solid. When shift conditions are not met, the 4LOCK lamp remains illuminated solid and the 4LO lamp is flashing.

- 4LOCK to 2WD or AWD - Successful shifts will flash the 4LOCK lamp during a shift, then after the 2WD or AWD position has been met, turn off the 4LOCK lamp. In the blocked condition, flash the 4LOCK lamp during the 5 Phase 1 shift attempts. After 5 unsuccessful attempts, the transfer case remains in 4LOCK and the 4LOCK lamp turns on solid. When shift conditions are not met, no shift attempts are made and the 4LOCK lamp is flashing. - 4LO to 2WD or AWD - Successful shifts will flash the 4LO lamp during a shift, then after the 2WD or AWD position has been met, turn off the 4LO lamp. In the blocked condition, flash the 4LO lamp during the 5 Phase 1 shift attempts. After 5 unsuccessful attempts, the transfer case remains in 4LO and the 4LO lamp turns on solid. When shift conditions are not met, no shift attempts are made and the 4LO lamp is flashing.

- 4LO to 4LOCK - Successful shifts will turn off the 4LO lamp and flash 4LOCK during a shift, then after the 4LOCK position has been met, display the 4LOCK lamp solid. In the blocked condition, turn off 4LO and flash the 4LOCK lamp during the 5 Phase 1 shift attempts. After 5 unsuccessful attempts, the transfer case remains in 4LO and the 4LO lamp turns on solid. When shift conditions are not met, the 4LO lamp remains illuminated solid and 4LOCK is flashing.

- 2WD or AWD to NEUTRAL - Successful shifts have no lamps illuminated, then after the NEUTRAL position has been met, display the NEUTRAL LED solid. In the blocked condition, no lamps are illuminated during the 5 Phase 1 attempts. After 5 unsuccessful attempts, the transfer case remains in 2WD or AWD and no lamps are illuminated. When shift conditions are not met, flash the NEUTRAL lamp while the push button is depressed.

- 4LOCK to NEUTRAL - Successful shifts have no lamps illuminated, then after the NEUTRAL position has been met, display the NEUTRAL LED solid. In the blocked condition, no lamps are illuminated during the 5 Phase 1 attempts. After 5 unsuccessful attempts, the transfer case remains in 4LOCK and the 4LOCK lamp is illuminated. When shift conditions are not met, flash the NEUTRAL lamp while the push button is depressed.
- 4LO to NEUTRAL - Successful shifts have no lamps illuminated, then after the NEUTRAL position has been met, display the NEUTRAL LED solid. In the blocked condition, no lamps are illuminated during the 5 Phase 1 attempts. After 5 unsuccessful attempts, the transfer case remains in 4LO and the 4LO lamp is illuminated. When shift conditions are not met, flash the NEUTRAL lamp while the push button is depressed.

- NEUTRAL to 2WD or AWD- Successful shifts have no lamps illuminated, then after the 2WD or AWD position has been met, no lamps are illuminated. In the blocked condition, no lamps are illuminated during the 5 Phase 1 attempts. After 5 unsuccessful attempts, Phase 2 shifting will continue until the transfer case is in the 2WD or AWD or 4LO position. If the final position is 2WD or AWD, no lamp is illuminated, if the final position is 4LO, illuminate the 4LO lamp. When shift conditions are not met, flash the 4LOCK and 4LO lamps and the NEUTRAL LED remains solid while the push button is depressed.

- Neutral to 4LOCK - Successful shifts will flash the 4LOCK lamp during a shift, then after the 4LOCK position has been met, display the 4LOCK lamp solid. In a blocked condition, the 4LOCK lamp will flash during the 5 Phase 1 attempts. After 5 unsuccessful attempts, continue to flash the 4LOCK, Phase 2 shifting will continue until the transfer case is in the 2WD or AWD or 4LO position. If the final position is 2WD or AWD, turn off the 4LOCK lamp, if the final position is 4LO, illuminate the 4LO lamp. When shift conditions are not met, flash the 4LOCK and 4LO lamps and the NEUTRAL LED remains solid while the push button is depressed.

- NEUTRAL to 4LO - Successful shifts will flash the 4LO lamp during a shift, then after the 4LOCK position has been met, display the 4LO lamp solid. In a blocked condition, the 4LO lamp will flash during the 5 Phase 1 attempts. After 5 unsuccessful attempts, continue to flash 4LO, Phase 2 shifting will continue until transfer case is in the 2WD or AWD or 4LO position. If the final position is 2WD or AWD, turn off the 4LO lamp, if the final position is 4LO, illuminate the 4LO lamp solid. When shift conditions are not met, flash the 4LOCK and 4LO lamps and the NEUTRAL LED remains solid while push the button is depressed.

SHIFT SEQUENCES (PHASE 1 SHIFTS)

Once all the driver controllable conditions for the requested shift have been met, the FCM begins a shift timer with a maximum duration of 1 second per mode sensor target segment. If the shift timer expires before the FCM recognizes to correct mode sensor position, the shift is considered to have been blocked. The blocked shift will increment the blocked shift counter by one. The FCM strategy for handling blocked shifts will be described later. The process the FCM performs for the various shifts will be described first.

RANGE AND MODE SHIFTS

The process for performing all the range and mode shifts are the same. The following steps describe the process.
- Allow time for Selector Switch debounce; 250 msec ± 50 msec.
- Activate/deactivate the 4WD system message icons in the instrument cluster as necessary.
- Engage the shift motor for a maximum of 1 second ± 100 msec per mode sensor target segment in the destination gear's direction while monitoring the mode sensor.
- Disengage the shift motor when the correct mode sensor position is recognized.
- Solidly illuminate the achieved position's instrument panel icon, unless the target is 2WD or AWD.
- Transmit a bus message that the transfer case shift is complete.
- If the desired mode sensor position is not reached after the shift timer expires (i.e.: a blocked shift motor or other condition exists), the FCM will stop driving the motor and wait for 200 msec ± 50 msec. The shift motor is then reversed in the direction back toward the source gear for up to 1.0 seconds ± 100 msec. per mode sensor target segment. The FCM waits for 2.0 seconds ± 50 msec. and repeats the attempt to shift to the desired position.

The exception to the preceding sequence is when a shift from 4LO to 2WD or AWD is requested. If 2WD or AWD is requested from the 4LO position, the transfer case is first driven to the 4LOCK position. If the 4LOCK position is reached, the transfer case is then driven back to the 2WD or AWD position and the shift is considered complete.

SHIFT OUT OF NEUTRAL

The following steps describe the process for a shift out of NEUTRAL.
- Extinguish the Neutral LED.

- Engage the shift motor for a maximum of 1 second ±100 msec toward the transfer case 4LOCK mode position while monitoring the mode sensor position.

- Disengage the shift motor when the correct mode sensor position is recognized.

- Extinguish the Neutral LED.

- Transmit a bus message that the transfer case shift is complete.

- If the desired mode sensor position is not received after the shift timer expires (i.e. a blocked or other condition exists), stop driving the motor and wait for 200 msec ±50 msec. The shift motor is then reversed in the direction back toward the source gear for up to 1.0 seconds 100 msec. The FCM waits for 2.0 seconds ± 50 msec. and repeats the attempt to shift to the desired position.

- When the Neutral button is released, if the 4LOCK position is the desired position, the shift is complete. Illuminate the 4LOCK message icon.

- Otherwise when the Neutral button is released, if all of the shift requirements are being met then engage the shift motor towards the desired position for 1 second ±100 msec per 'D' channel. (if requirements for shifting are not met, illuminate the 4LOCK message icon and flash the destination message icon as an indication to the driver that all of the driver controllable shift conditions are not being met). If this requires another range or mode shift, begin the range/mode shift process.

- If the desired mode sensor position is not achieved after the shift timer expires (i.e. a blocked or other condition exists), refer to the section on Blocked Shift Strategy, also known as Phase 2 shifts.

NEUTRAL BLOCKED SHIFT STRATEGY (PHASE 2 SHIFTS)

When a shift is commanded out of neutral, the shift motor will be driven towards its destination position, except in the case of shifting out of NEUTRAL if 4LO was selected (the transfer case will shift to the 4LOCK position first, before proceeding to 4LO). If the shift is blocked on the way to the destination, the FCM may attempt to drive the motor back to the original position. This process will be allowed to occur 5 times. If the transfer case has reached a non-NEUTRAL position during the shift re-attempts, the message icon for the achieved gear position is illuminated and the shift attempts are stopped. To re-attempt the desired shift, the selector switch will need to be rotated to the current position until the switch debounce timer expires then a shift will need to be requested again.

At the end of the 5th blocked attempt, the shift motor is driven towards the last known mode sensor position. If this motor drive allows the transfer case to reach the 2WD or AWD position, the shift is considered complete and the shift attempts are ended. If the mode sensor is in the NEUTRAL region at the expiration of the shift timer, the FCM will continue to make the shift attempts according to the blocked shift strategy independent of whether or not the driver controlled conditions are met.

For shifts from NEUTRAL, if all 5 attempts fail to reach the desired position (which by default is 4LOCK), the motor will be driven to stall in the direction of 4LOCK or 4LO, depending on the achieved position. Otherwise, the transfer case will be driven in the direction opposite the last attempt with the desired target being 4LOCK or 4LO.

If the transfer case reaches the 2WD or AWD position when being driven in the 4LOCK direction, then one final 1.0 second drive toward 4LOCK is attempted. If the transfer case then reaches the 4LOCK position, the shift is considered complete and the 4LOCK message icon is illuminated. If the transfer case is still the 2WD or AWD position, the shift is considered complete and all message icons are extinguished.

NEUTRAL DRIFT SHIFT STRATEGY (PHASE 3 SHIFTS)

NOTE: If after the 5th blocked shift and reversal attempt, if the transfer case position is in the NEUTRAL or other undesired region, shift attempts will continue until a non-NEUTRAL or a desired position is reached.

Phase 3 is a series of shifts whose intent is to escape from an undesired position that has been reached outside of a shift. A perceived drift of the transfer case into a non-target region without the FCM driving the shift motor will initiate a phase 3 shift. Phase 3 will be initiated by any non-target region with the exception of a position greater then encoder_4LO_min or less then encoder_4LOCK_max. Whenever these encoder readings have been seen for defined period of time, Phase 3 shifting will begin.

The shifts in a given Phase 3 shifting event are always in a single-direction, toward the target region from which the drift occurred. These shifts are performed without regard to shift conditions. The timing of each shift should follow the outline of the Phase 1 forward attempts, allowing the shift timer to reach the target. Between each attempt, there is a calibrated delay. After each attempt the shift counter and the Phase 3 max shifts counter will be updated.

SHIFT REVERSAL TARGETS

If the shift timer expires (1.0 seconds per mode sensor position) and the transfer case has not reached the desired position, all shifts will attempt to return to their original position with the exceptions of:

- If the intended shift is going to the High rail from Low and can't make it, but it can make the 2WD or AWD position, the motor stops at that position. The FCM will not attempt to cross back over NEUTRAL if it does not have to. This means that there was a block on the first attempt to go to 4LOCK and the transfer case has made it through NEUTRAL to a known good position, then the motor will go back only to the 2WD or AWD position and execute the remainder of the attempts from there.

- For shifts out of NEUTRAL, any time a shift is commanded out of NEUTRAL, the system needs to get out. The FCM should never go to NEUTRAL unless the driver is commanding it and all required conditions are being met.

ENCODER DRIFT CORRECTION

Whenever a shift is completed, the FCM stores the position in memory as the transfer case's intended position. The FCM continuously monitors the mode sensor and if the mode sensor drifts toward into a NEUTRAL region sensor position for 2.0 seconds, the FCM will perform a motor drive to correct the drift. The transfer case will be driven toward the intended position for 1.0 seconds ± 100 msec. The FCM will wait for 2.0 seconds ± 50 msec. and repeat the attempt to shift to the desired position. This will continue until the intended position is reached.

SHIFT MOTOR CONTROL

The FCM will have the ability to vary the speed of the transfer case motor through pulse width modulation (PWM). It is PWM from 0 to 100% at 100Hz. The PWM will function as follows:
- Apply an initial duty cycle (APPROXIMATELY 94%) to shift motor control wires.

- Control the acceleration of the shift motor by increasing the applied duty cycle at a specified rate.

- Control the deceleration of the shift motor by updating the applied duty cycle to the shift motor control wires at a specified rate based upon the difference between the desired position and the current position.

SHIFT ATTEMPT LIMIT

To protect the transfer case system, the FCM will impose a limit on the number of shifts that can occur over a calibrated time period. The system will monitor the number of mode sensor position changes that occur in any 25 second time period. If the number of changes is 10 or greater, the system will go into a default mode. The default mode of operation for shifting is that the number of allowed changes permitted to occur will be 3 over each 15 second ± 100 msec calibrated window of time. After 5 minutes ± 100 msec, the motor can be assumed to have cooled down and the system will revert to normal operation. The following rules also apply to the shift limit:

- The attempt limit will not prevent shifts coming out of NEUTRAL, they will be allowed regardless of the counter/timer.
- Any shift that is in progress when the counter reaches a maximum count in time will be allowed to complete before the default mode is entered. Position changes during this period will not be counted towards the default mode limit.

- A block, regardless of the direction, whether towards destination or back towards reversal target (shift timer expiring), will count as a value of 2 position changes towards the 10 position changes to go into default mode as defined above. Current attempt limit values are 10 transitions in 25 seconds and default mode values are 1 transition every 10 seconds for 5 minutes.