LEMON Manuals: Even more car manuals for everyone: 1960-2025
Home >> Mitsubishi >> 2010 >> Lancer ES, Automatic CVT >> Repair and Diagnosis >> External Pages >> Different variant/trim >> Section 50 (Front Windshield Wiper System And Washer System - Lancer SPORTBACK) >> Windshield Wiper And Washer Diagnosis >> Symptom Procedures >> INSPECTION PROCEDURE 10: The windshield washer does not work normally >> Notes
April 5, 2026: LEMON Manuals is launched! Read the announcement.

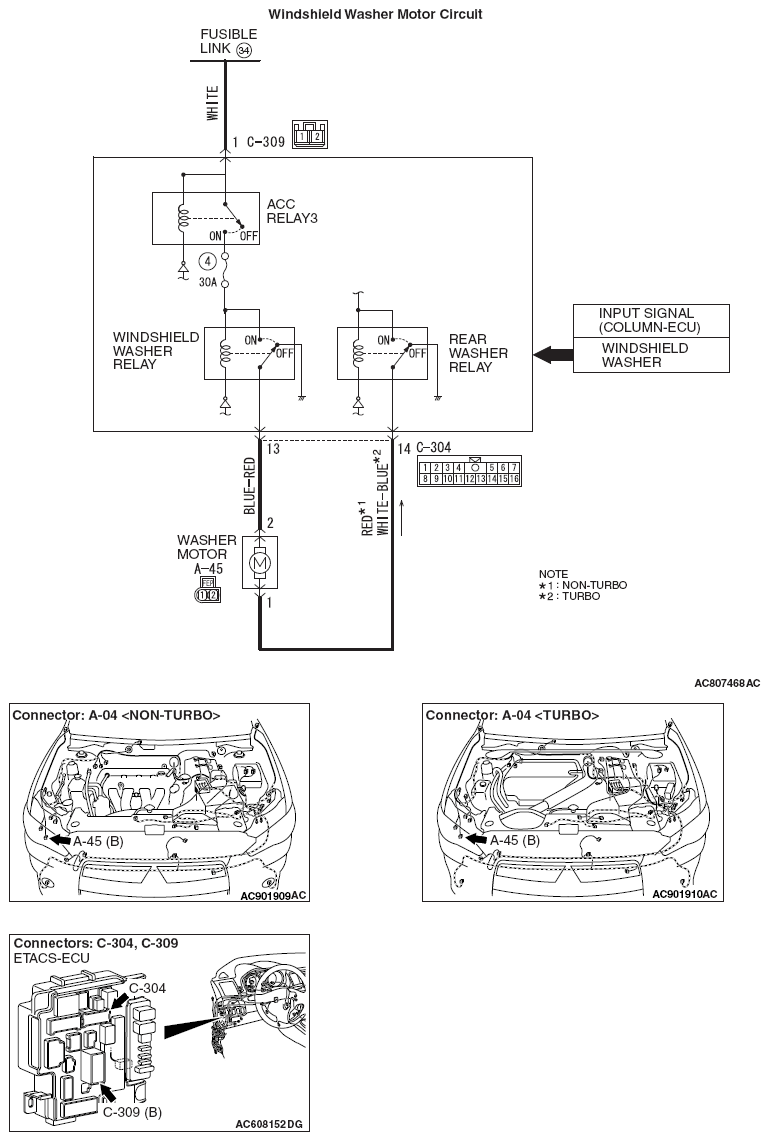
INSPECTION PROCEDURE 10: The windshield washer does not work normally: Notes

WARNING: This page is about a different variant/trim than selected.
Fig 1: Windshield Washer Motor Circuit Diagram
G06473174Courtesy of MITSUBISHI MOTOR SALES OF AMERICA.