LEMON Manuals: Even more car manuals for everyone: 1960-2025
Home >> Mitsubishi >> 2010 >> Lancer Evolution SE >> Repair and Diagnosis >> External Pages >> Different variant/trim >> Section 11 (Controller Area Network (Can) - Lancer) >> Diagnosis >> Can Bus Diagnostics >> DIAGNOSTIC ITEM 18: Diagnose when the scan tool cannot receive the data sent by SRS-ECU >> Notes
April 5, 2026: LEMON Manuals is launched! Read the announcement.

DIAGNOSTIC ITEM 18: Diagnose when the scan tool cannot receive the data sent by SRS-ECU: Notes

WARNING: This page is about a different variant/trim than selected.
CAUTION: When servicing a CAN bus line, ground yourself by touching a metal object such as an unpainted water pipe. If you fail to do so, a component connected to the CAN bus line may be damaged.
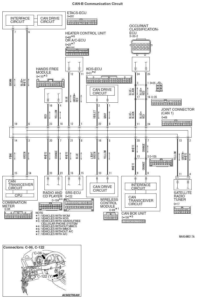
Fig 1: CAN-B Communication Circuit
G06670341Courtesy of MITSUBISHI MOTOR SALES OF AMERICA.