LEMON Manuals: Even more car manuals for everyone: 1960-2025
Home >> Mitsubishi >> 2010 >> Lancer Evolution SE >> Repair and Diagnosis >> External Pages >> Different variant/trim >> Section 61 (Windshield Wiper System And Washer System - Lancer) >> Symptom Procedures >> General Circuit Diagram For The Windshield Wiper And Washer
April 5, 2026: LEMON Manuals is launched! Read the announcement.

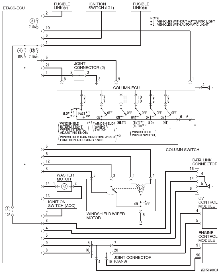
General Circuit Diagram For The Windshield Wiper And Washer

WARNING: This page is about a different variant/trim than selected.
Fig 1: Windshield Wiper And Washer Circuit Diagram
G06673191Courtesy of MITSUBISHI MOTOR SALES OF AMERICA.