LEMON Manuals: Even more car manuals for everyone: 1960-2025
Home >> Mitsubishi >> 2010 >> Lancer Evolution SE >> Repair and Diagnosis >> External Pages >> Different variant/trim >> Section 61 (Windshield Wiper System And Washer System - Lancer) >> Symptom Procedures >> INSPECTION PROCEDURE 1: The windshield wipers do not work at all >> Notes
April 5, 2026: LEMON Manuals is launched! Read the announcement.

INSPECTION PROCEDURE 1: The windshield wipers do not work at all: Notes

WARNING: This page is about a different variant/trim than selected.
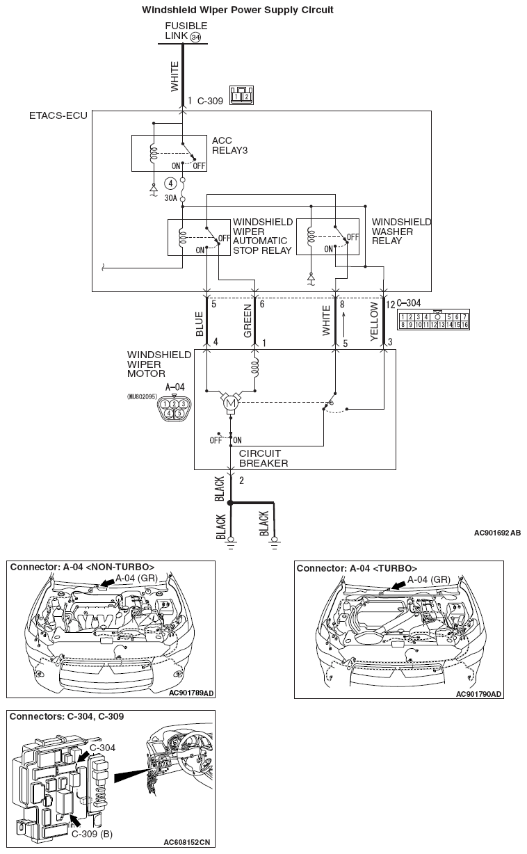
Fig 1: Windshield Wiper Power Supply Circuit Diagram
G06673192Courtesy of MITSUBISHI MOTOR SALES OF AMERICA.