LEMON Manuals: Even more car manuals for everyone: 1960-2025
Home >> Mitsubishi >> 2010 >> Lancer Evolution SE >> Repair and Diagnosis >> External Pages >> Different variant/trim >> Section 99 (Door System - Lancer Evolution) >> Symptom Procedures <Central Door Locking System> >> INSPECTION PROCEDURE 1: Central Door Locking System does not work at All >> Notes
April 5, 2026: LEMON Manuals is launched! Read the announcement.

INSPECTION PROCEDURE 1: Central Door Locking System does not work at All: Notes

WARNING: This page is about a different variant/trim than selected.
CAUTION: Before replacing the ECU, ensure that the power supply circuit, the ground circuit and the communication circuit are normal.
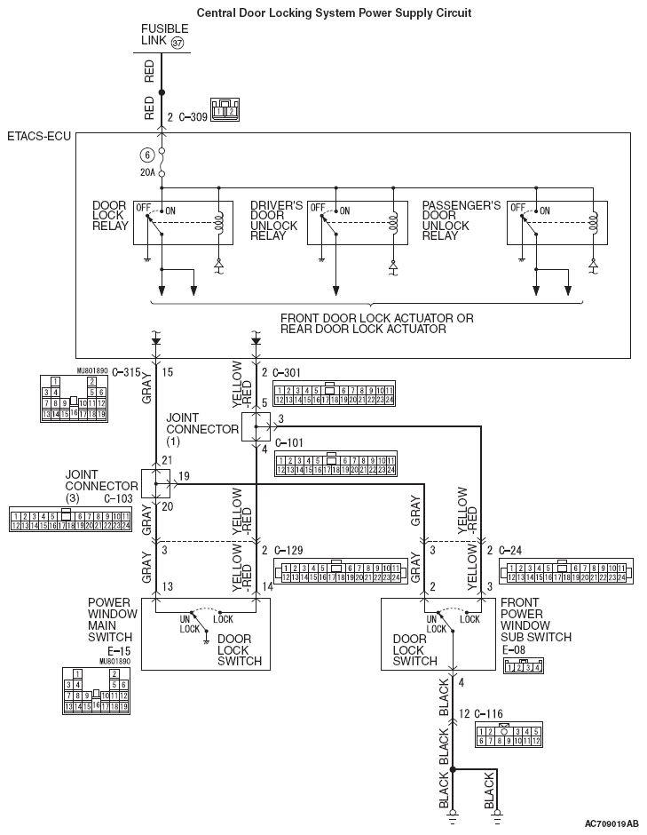
Fig 1: Central Door Locking System Power Supply Circuit Diagram (1 Of 2)
G06675338Courtesy of MITSUBISHI MOTOR SALES OF AMERICA.
Fig 2: Central Door Locking System Power Supply Circuit Diagram (2 Of 2)
G06675339Courtesy of MITSUBISHI MOTOR SALES OF AMERICA.