LEMON Manuals: Even more car manuals for everyone: 1960-2025
Home >> Mitsubishi >> 2011 >> Lancer DE, Automatic CVT >> Repair and Diagnosis >> Transmission >> Transmission Control Systems >> Continuously Variable Transaxle On-Vehicle Service - Except Lancer Evolution >> On-Vehicle Service >> CVT Control Component Check >> CVT Control Relay Check
April 5, 2026: LEMON Manuals is launched! Read the announcement.

CVT Control Relay Check

  1. Remove the CVT control relay.
    Fig 1: Identifying CVT Control Relay
    G07029352Courtesy of MITSUBISHI MOTOR SALES OF AMERICA.
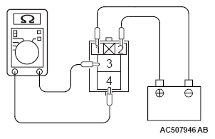
  2. Use a jumper wire to connect the positive battery terminal (+) to the CVT control relay terminal No. 2, and the negative battery terminal (-) to the terminal No. 1.
  3. Check for continuity between the CVT control relay terminals No. 3 and No. 4.
    CVT CONTROL RELAY CONTINUITY CHECK

    Jumper wire Continuity between terminals No. 3 and No. 4
    Connect Yes (2 Ω or less)
    Disconnect No
    Fig 2: Checking For Continuity Between CVT Control Relay Terminals No. 3 And No. 4
    G07029353Courtesy of MITSUBISHI MOTOR SALES OF AMERICA.
  4. If not as specified, replace the CVT control relay.