LEMON Manuals: Even more car manuals for everyone: 1960-2025
Home >> Mitsubishi >> 2012 >> Lancer Evolution GSR >> Repair and Diagnosis (Single Page) >> Brakes >> Traction Control >> Active Stability Control System (ASC) - Lancer Evolution >> Diagnosis >> Diagnostic Trouble Code Procedures >> DTC U0125: G And Yaw Rate Sensor Message Time-Out Error/Message Error >> Notes
April 5, 2026: LEMON Manuals is launched! Read the announcement.

DTC U0125: G And Yaw Rate Sensor Message Time-Out Error/Message Error: Notes

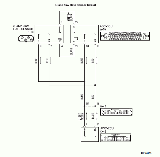
Fig 1: G And Yaw Rate Sensor Circuit Diagram
G00529034Courtesy of MITSUBISHI MOTOR SALES OF AMERICA.
Fig 2: G And Yaw Rate Sensor Circuit Connector Locations
G00529035Courtesy of MITSUBISHI MOTOR SALES OF AMERICA.
CAUTION: