LEMON Manuals: Even more car manuals for everyone: 1960-2025
Home >> Mitsubishi >> 2012 >> Lancer Evolution MR >> Repair and Diagnosis (Single Page) >> Accessories & Equipment >> Communication Devices >> Electronic Time And Alarm Control System (ETACS) - Lancer Evolution >> Troubleshooting >> Input Signal Procedures >> Inspection Procedure 5: ETACS-ECU Does Not Receive Any Signal From The Front Door Switch (LH) >> Notes
April 5, 2026: LEMON Manuals is launched! Read the announcement.

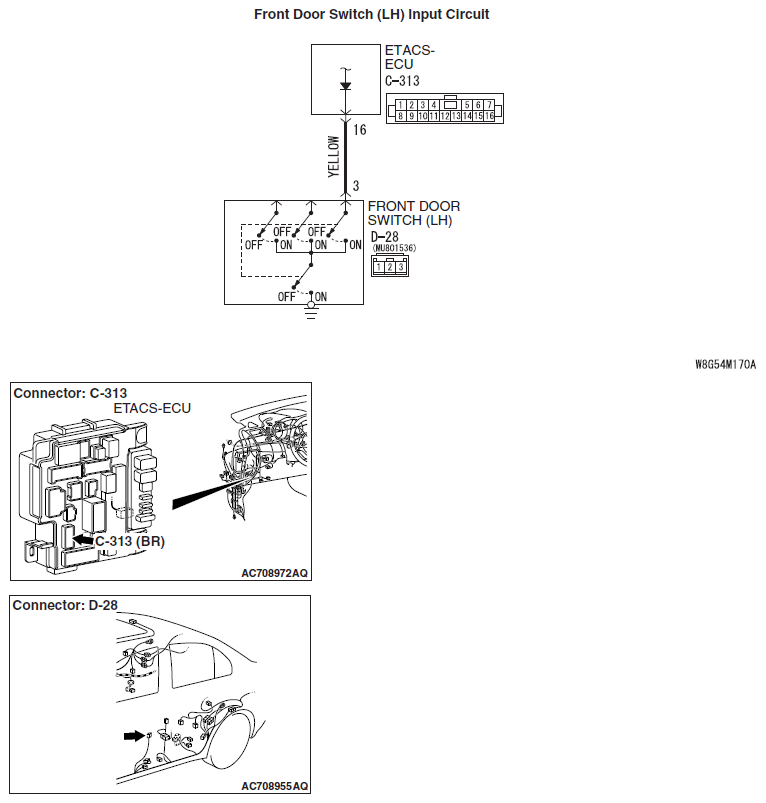
Inspection Procedure 5: ETACS-ECU Does Not Receive Any Signal From The Front Door Switch (LH): Notes

Fig 1: Front Door Switch (LH) Circuit Diagram
G06678529Courtesy of MITSUBISHI MOTOR SALES OF AMERICA.