LEMON Manuals: Even more car manuals for everyone: 1960-2025
Home >> Mitsubishi >> 2012 >> Lancer Evolution MR >> Repair and Diagnosis (Single Page) >> Accessories & Equipment >> Wiper/Washer Systems >> Windshield Wiper System And Washer System - Lancer Evolution >> Windshield Wiper And Washer Diagnosis >> Symptom Procedures >> INSPECTION PROCEDURE 4: Windshield Wipers Do Not Work Normally >> Notes
April 5, 2026: LEMON Manuals is launched! Read the announcement.

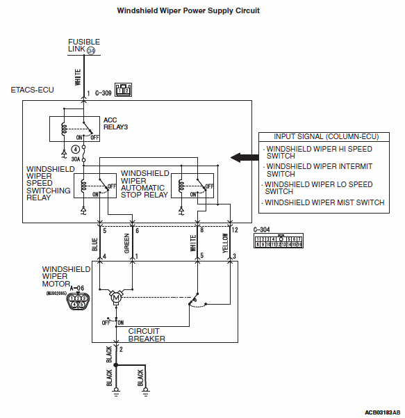
INSPECTION PROCEDURE 4: Windshield Wipers Do Not Work Normally: Notes

Fig 1: Windshield Wiper Power Supply Circuit Diagram
G00527100Courtesy of MITSUBISHI MOTOR SALES OF AMERICA.
Fig 2: Locating Connectors A-06 & C-304
G00527101Courtesy of MITSUBISHI MOTOR SALES OF AMERICA.