LEMON Manuals: Even more car manuals for everyone: 1960-2025
Home >> Mitsubishi >> 2012 >> Lancer Evolution MR >> Repair and Diagnosis (Single Page) >> Quick Lookups >> Wiring Diagrams >> OEM Circuit Diagrams - Lancer Evolution >> MITSUBISHI Multi-Communication System (MMCS)
April 5, 2026: LEMON Manuals is launched! Read the announcement.

MITSUBISHI Multi-Communication System (MMCS)

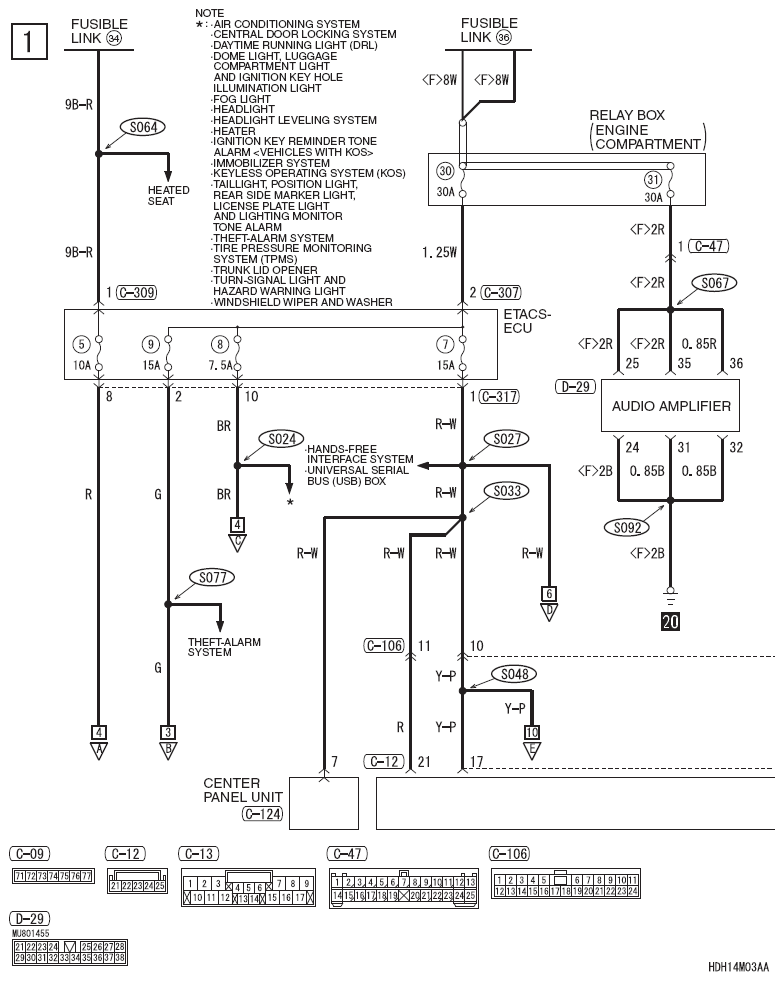
Fig 1: Mitsubishi Multi-Communication System Circuit Diagram (1 Of 12)
G08304896Courtesy of MITSUBISHI MOTOR SALES OF AMERICA.
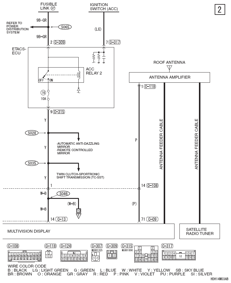
Fig 2: Mitsubishi Multi-Communication System Circuit Diagram (2 Of 12)
G08304897Courtesy of MITSUBISHI MOTOR SALES OF AMERICA.
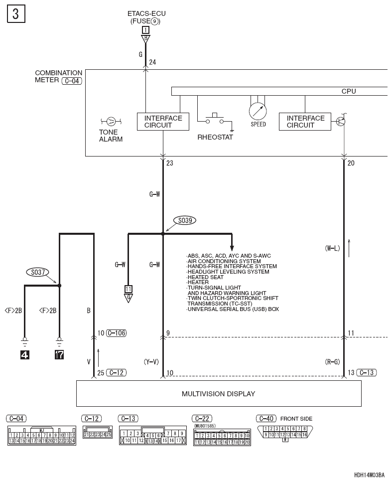
Fig 3: Mitsubishi Multi-Communication System Circuit Diagram (3 Of 12)
G08304898Courtesy of MITSUBISHI MOTOR SALES OF AMERICA.
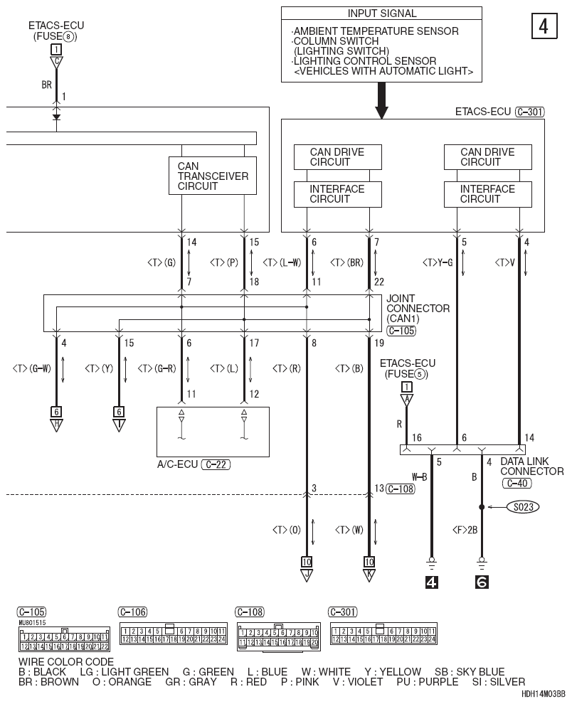
Fig 4: Mitsubishi Multi-Communication System Circuit Diagram (4 Of 12)
G08304899Courtesy of MITSUBISHI MOTOR SALES OF AMERICA.
Fig 5: Mitsubishi Multi-Communication System Circuit Diagram (5 Of 12)
G08304900Courtesy of MITSUBISHI MOTOR SALES OF AMERICA.
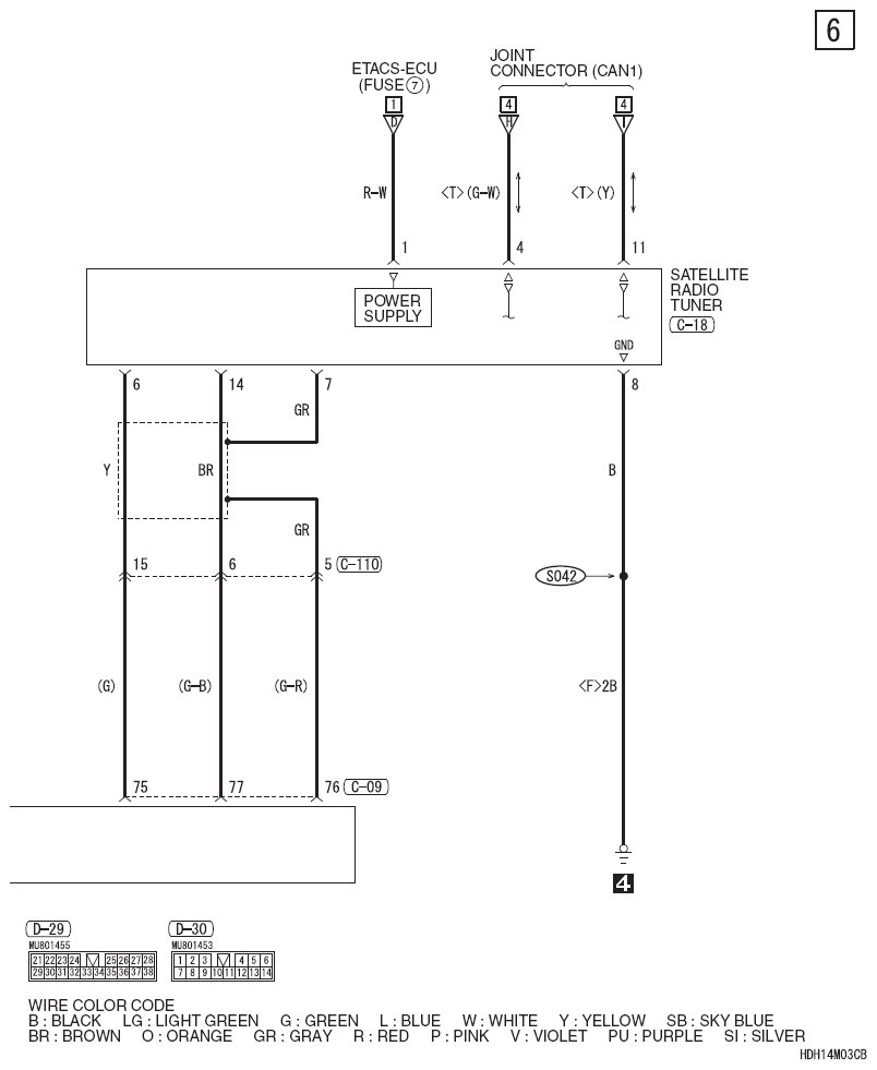
Fig 6: Mitsubishi Multi-Communication System Circuit Diagram (6 Of 12)
G08304901Courtesy of MITSUBISHI MOTOR SALES OF AMERICA.
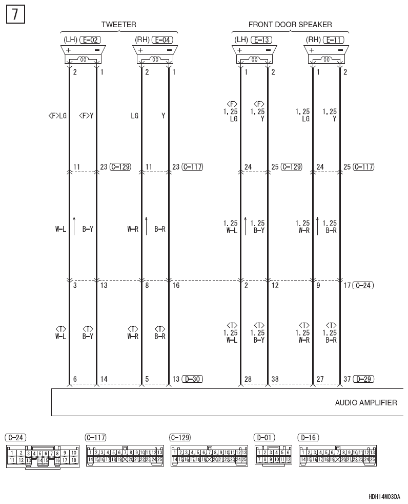
Fig 7: Mitsubishi Multi-Communication System Circuit Diagram (7 Of 12)
G08304902Courtesy of MITSUBISHI MOTOR SALES OF AMERICA.
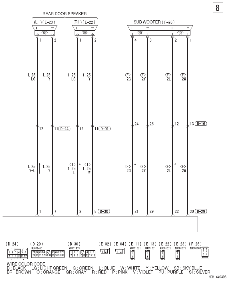
Fig 8: Mitsubishi Multi-Communication System Circuit Diagram (8 Of 12)
G08304903Courtesy of MITSUBISHI MOTOR SALES OF AMERICA.
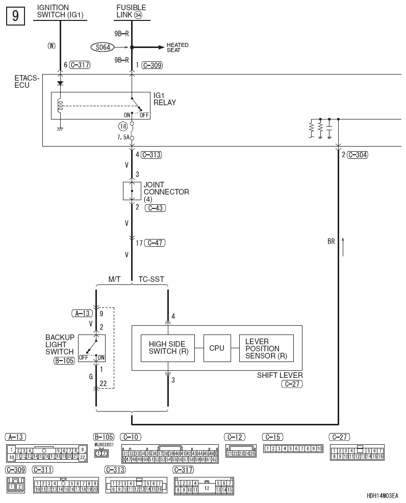
Fig 9: Mitsubishi Multi-Communication System Circuit Diagram (9 Of 12)
G08304904Courtesy of MITSUBISHI MOTOR SALES OF AMERICA.
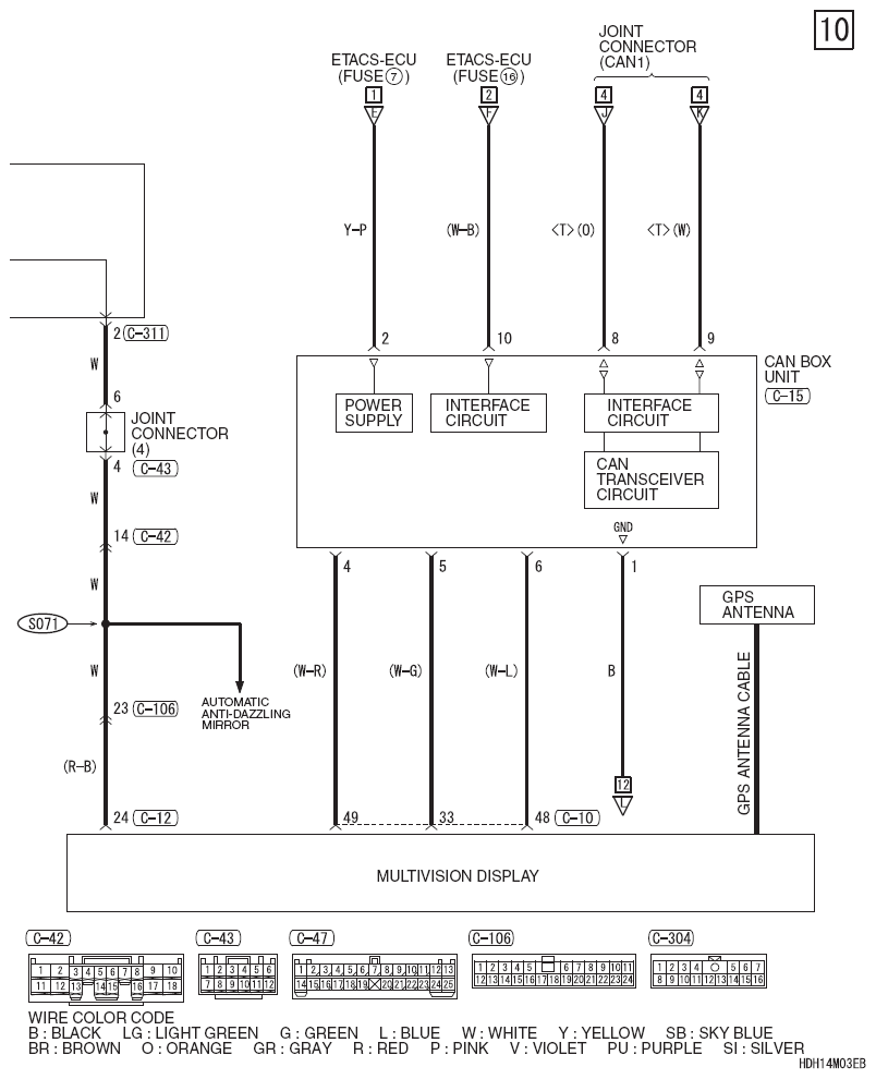
Fig 10: Mitsubishi Multi-Communication System Circuit Diagram (10 Of 12)
G08304905Courtesy of MITSUBISHI MOTOR SALES OF AMERICA.
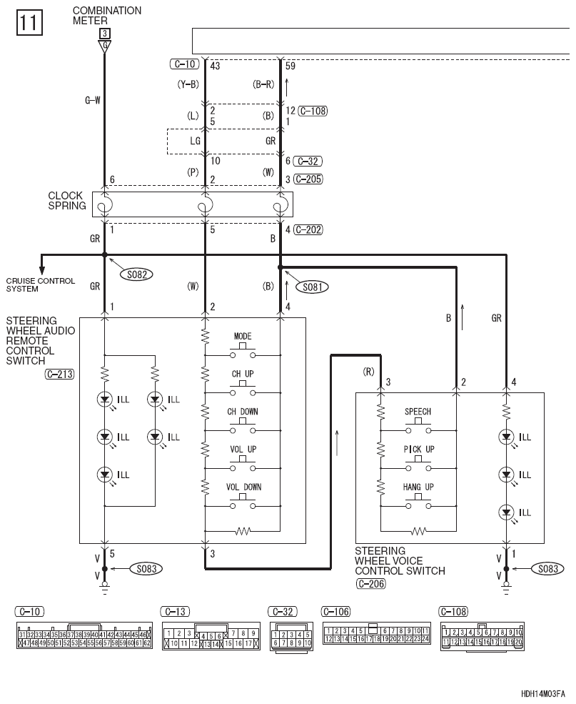
Fig 11: Mitsubishi Multi-Communication System Circuit Diagram (11 Of 12)
G08304906Courtesy of MITSUBISHI MOTOR SALES OF AMERICA.
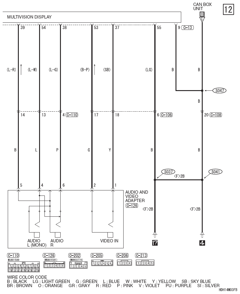
Fig 12: Mitsubishi Multi-Communication System Circuit Diagram (12 Of 12)
G08304907Courtesy of MITSUBISHI MOTOR SALES OF AMERICA.