LEMON Manuals: Even more car manuals for everyone: 1960-2025
Home >> Mitsubishi >> 2012 >> Lancer SE >> Repair and Diagnosis (Single Page) >> Accessories & Equipment >> Communication Devices >> Controller Area Network (Can) - Lancer >> Diagnosis >> Can Bus Diagnostics >> DIAGNOSTIC ITEM 21: Diagnose When The Scan Tool Cannot Receive The Data Sent By A/C-ECU - Vehicles With A/C - Or Heater Control Unit - Vehicles Without A/C >> Notes
April 5, 2026: LEMON Manuals is launched! Read the announcement.

DIAGNOSTIC ITEM 21: Diagnose When The Scan Tool Cannot Receive The Data Sent By A/C-ECU - Vehicles With A/C - Or Heater Control Unit - Vehicles Without A/C: Notes

CAUTION: When servicing a CAN bus line, ground yourself by touching a metal object such as an unpainted water pipe. If you fail to do so, a component connected to the CAN bus line may be damaged.
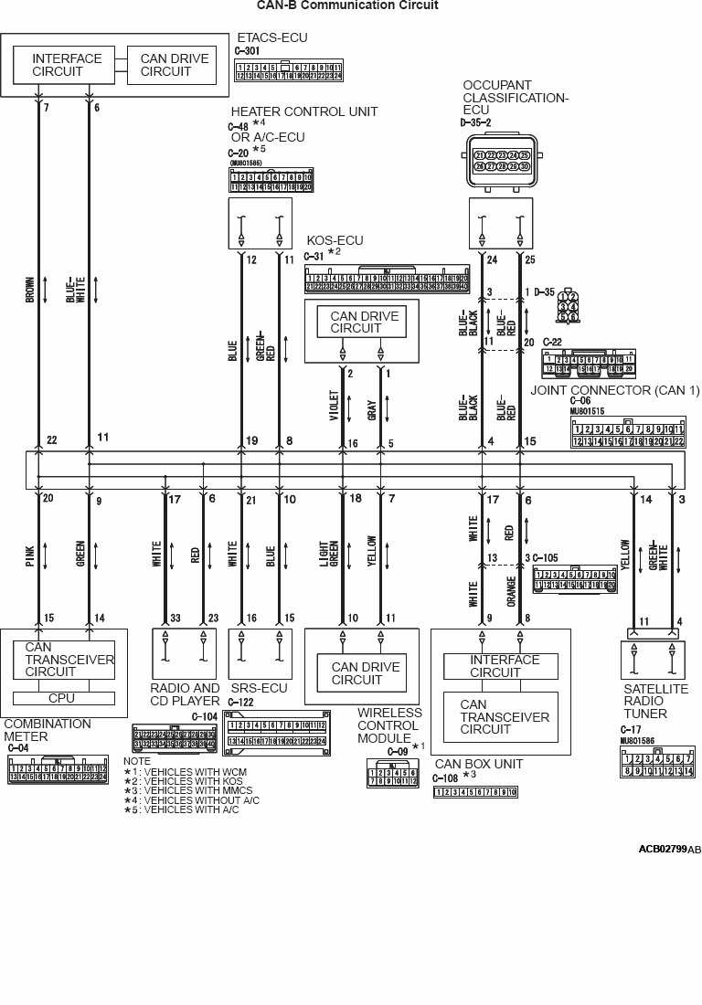
Fig 1: CAN-B Communication Circuit Diagram
G08296864Courtesy of MITSUBISHI MOTOR SALES OF AMERICA.
Fig 2: CAN-B Communication Circuit Connectors
G00529050Courtesy of MITSUBISHI MOTOR SALES OF AMERICA.