LEMON Manuals: Even more car manuals for everyone: 1960-2025
Home >> Mitsubishi >> 2012 >> Lancer SE >> Repair and Diagnosis (Single Page) >> Accessories & Equipment >> Communication Devices >> Controller Area Network (Can) - Lancer >> Diagnosis >> Can Bus Diagnostics >> DIAGNOSTIC ITEM 9: Diagnose When The Scan Tool Cannot Receive The Data Sent By ABS-ECU - Vehicles Without ASC Or ASC-ECU - Vehicles With ASC >> Notes
April 5, 2026: LEMON Manuals is launched! Read the announcement.

DIAGNOSTIC ITEM 9: Diagnose When The Scan Tool Cannot Receive The Data Sent By ABS-ECU - Vehicles Without ASC Or ASC-ECU - Vehicles With ASC: Notes

CAUTION: When servicing a CAN bus line, ground yourself by touching a metal object such as an unpainted water pipe. If you fail to do so, a component connected to the CAN bus line may be damaged.
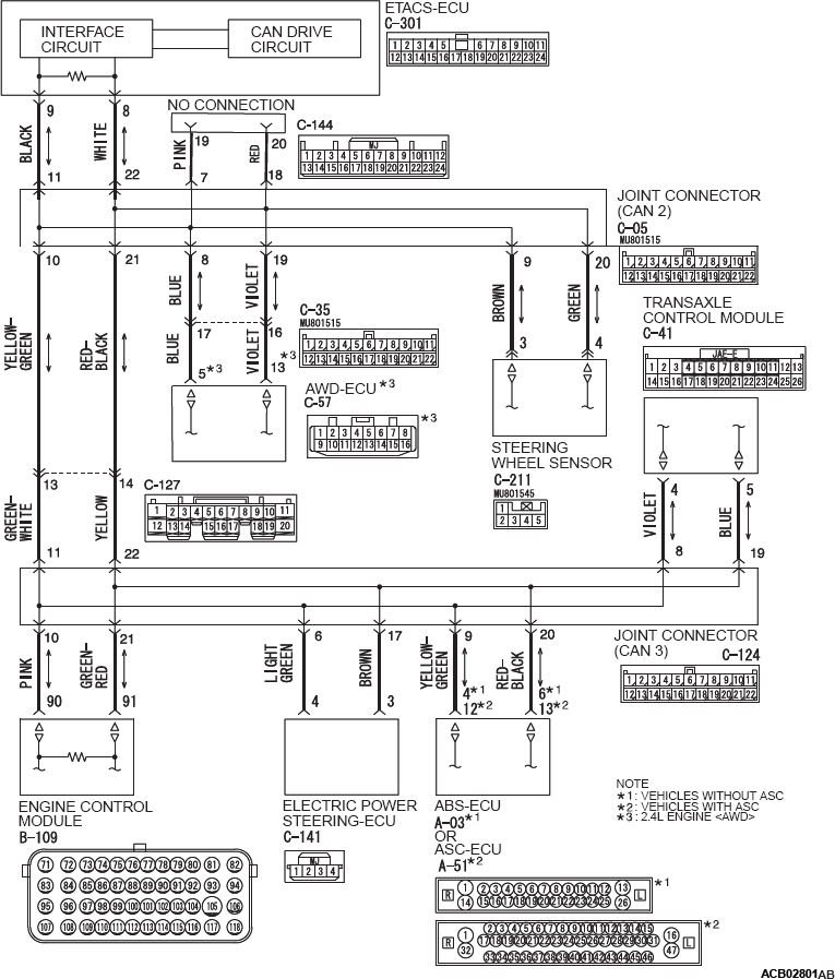
Fig 1: CAN-C Communication Circuit Diagram (Except Ralliart)
G08296660Courtesy of MITSUBISHI MOTOR SALES OF AMERICA.
Fig 2: CAN-C Communication Circuit Diagram (Ralliart)
G08296818Courtesy of MITSUBISHI MOTOR SALES OF AMERICA.