LEMON Manuals: Even more car manuals for everyone: 1960-2025
Home >> Mitsubishi >> 2012 >> RVR ES >> Repair and Diagnosis >> External Pages >> Different variant/trim >> Section 1 (Electronic Control AWD) >> Diagnosis >> Diagnostic Trouble Code Procedures >> DTC C2208: AWD-ECU internal error >> Notes
April 5, 2026: LEMON Manuals is launched! Read the announcement.

DTC C2208: AWD-ECU internal error: Notes

WARNING: This page is about a different variant/trim than selected.
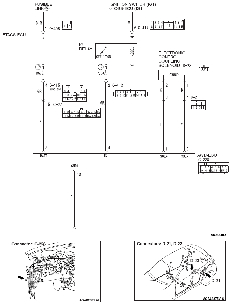
Fig 1: Electronic Control Coupling Solenoid - Circuit Diagram
G07048186Courtesy of MITSUBISHI MOTOR SALES OF AMERICA.
CAUTION: If there is any problem in the CAN bus lines, an incorrect DTC may be set. Prior to this diagnosis, always diagnose the CAN bus lines.