LEMON Manuals: Even more car manuals for everyone: 1960-2025
Home >> Mitsubishi >> 2012 >> i-MiEV ES >> Repair and Diagnosis (Single Page) >> Accessories & Equipment >> Communication Devices >> Controller Area Network (Can) >> Diagnosis >> Can Bus Diagnostics >> DIAGNOSTIC ITEM 19: Diagnose when the scan tool cannot receive the data sent by occupant classification-ECU >> Notes
April 5, 2026: LEMON Manuals is launched! Read the announcement.

DIAGNOSTIC ITEM 19: Diagnose when the scan tool cannot receive the data sent by occupant classification-ECU: Notes

CAUTION: When servicing a CAN bus line, ground yourself by touching a metal object such as an unpainted water pipe. If you fail to do so, a component connected to the CAN bus line may be damaged.
NOTE: For connector location, refer to CAN-RELATED CONNECTOR POSITION .
Fig 1: CAN Communication - Circuit Diagram (2012)
G08300664Courtesy of NISSAN NORTH AMERICA, INC.
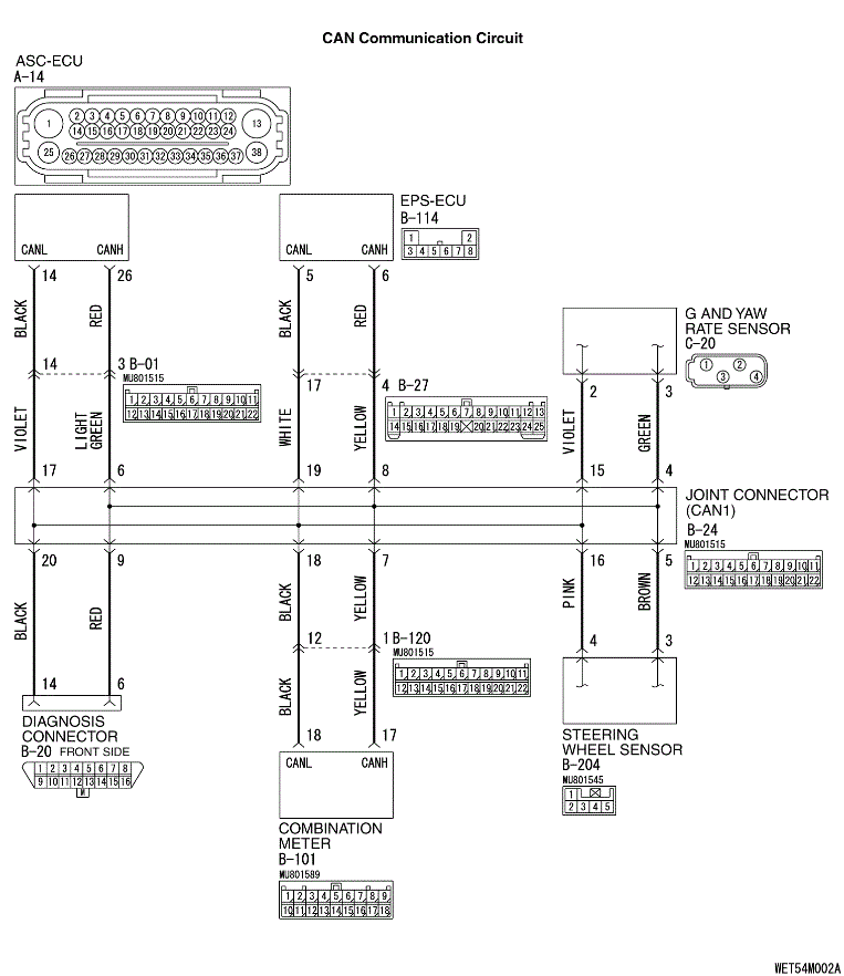
Fig 2: CAN Communication - Circuit Diagram - 2014 (1 Of 3)
G00551389Courtesy of NISSAN NORTH AMERICA, INC.
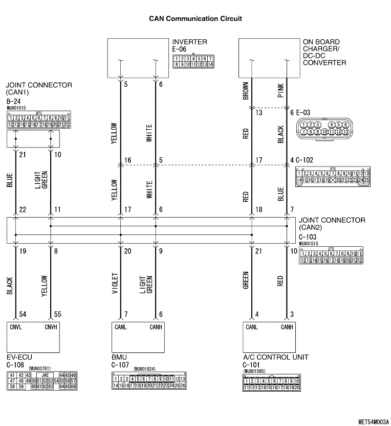
Fig 3: CAN Communication - Circuit Diagram - 2014 (2 Of 3)
G00551390Courtesy of NISSAN NORTH AMERICA, INC.
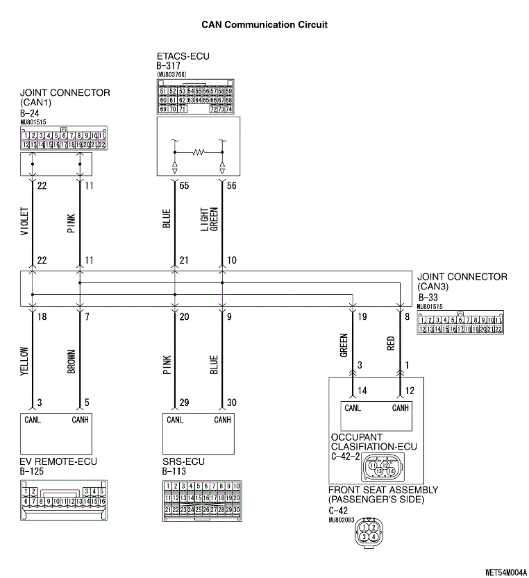
Fig 4: CAN Communication - Circuit Diagram - 2014 (3 Of 3)
G00553351Courtesy of NISSAN NORTH AMERICA, INC.