LEMON Manuals: Even more car manuals for everyone: 1960-2025
Home >> Mitsubishi >> 2012 >> i-MiEV ES >> Repair and Diagnosis (Single Page) >> Heating, Ventilation & A/C (HVAC) >> HVAC Control Systems >> Heater, Air Conditioning And Ventilation - With Diagnostics >> A/C Diagnosis >> Diagnostic Trouble Code Procedures < A/C Control Unit > >> Code No. B1081 Control panel comm.error >> Notes
April 5, 2026: LEMON Manuals is launched! Read the announcement.

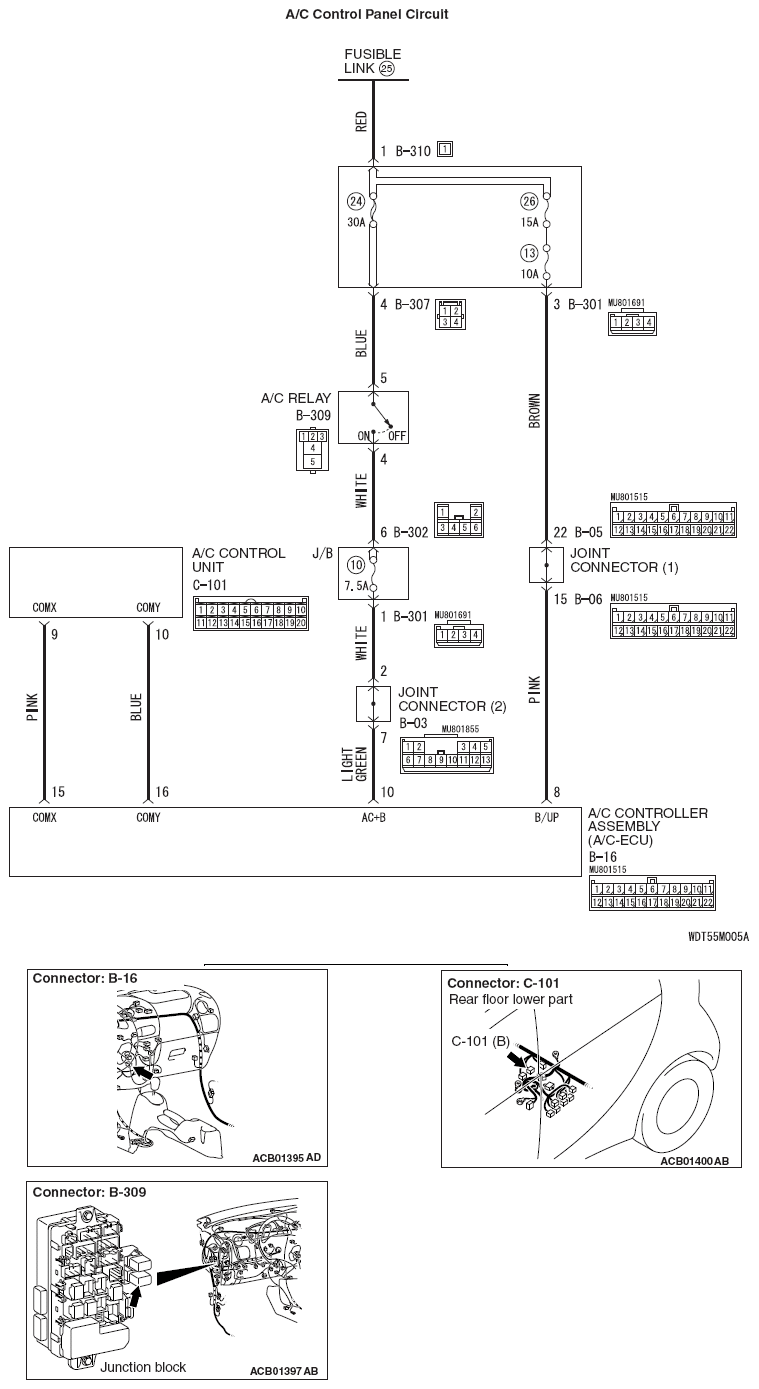
Code No. B1081 Control panel comm.error: Notes

Fig 1: A/C Control Panel Circuit Diagram
G08300940Courtesy of MITSUBISHI MOTOR SALES OF AMERICA.