LEMON Manuals: Even more car manuals for everyone: 1960-2025
Home >> Mitsubishi >> 2013 >> Lancer ES, 4D Hatchback >> Repair and Diagnosis >> External Pages >> Different variant/trim >> Section 17 (Combination Meter - Lancer Evolution) >> Troubleshooting >> Symptom Procedures >> Inspection Procedure 1: Power Supply Circuit Check >> Notes
April 5, 2026: LEMON Manuals is launched! Read the announcement.

Inspection Procedure 1: Power Supply Circuit Check: Notes

WARNING: This page is about a different variant/trim than selected.
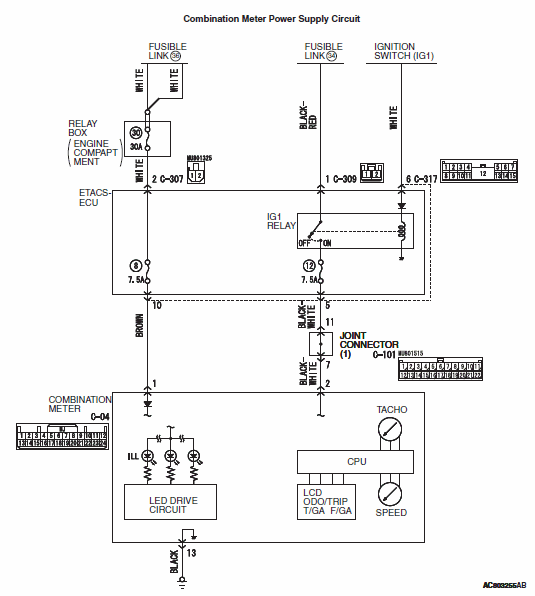
Fig 1: Combination Meter Power Supply Circuit Diagram
G00527941Courtesy of MITSUBISHI MOTOR SALES OF AMERICA.
Fig 2: Locating Combination Meter Power Supply Connectors
G00527942Courtesy of MITSUBISHI MOTOR SALES OF AMERICA.