LEMON Manuals: Even more car manuals for everyone: 1960-2025
Home >> Mitsubishi >> 2013 >> Lancer Evolution GSR >> Repair and Diagnosis (Single Page) >> Transmission >> Manual Trans >> Manual Transaxle On-Vehicle Service - Lancer Evolution >> Diagnosis <S-AWC (Super All Wheel Control)> >> Diagnostic Trouble Code Procedures >> DTC C1613: AWC Mode Select Switch System (Clogging) <Vehicles With Steering Audio Remote Control Switch> >> Notes
April 5, 2026: LEMON Manuals is launched! Read the announcement.

DTC C1613: AWC Mode Select Switch System (Clogging) <Vehicles With Steering Audio Remote Control Switch>: Notes

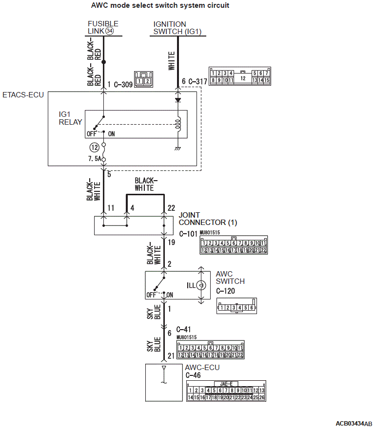
Fig 1: AWC Mode Select Switch Circuit Diagram
G00538203Courtesy of MITSUBISHI MOTOR SALES OF AMERICA.
Fig 2: Connectors C-41, C-46, C-101, C-120, C-309 & C-317
G00538204Courtesy of MITSUBISHI MOTOR SALES OF AMERICA.
CAUTION:
  • If there is any problem in the CAN bus lines, an incorrect diagnostic trouble code may be set. Prior to this diagnosis, diagnose the CAN bus lines.
  • Whenever the ECU is replaced, ensure that the CAN bus lines are normal.