LEMON Manuals: Even more car manuals for everyone: 1960-2025
Home >> Mitsubishi >> 2013 >> Lancer Evolution MR >> Repair and Diagnosis (Single Page) >> Accessories & Equipment >> Anti-Theft Systems >> Door System - Lancer Evolution >> Symptom Procedures - Power Window >> INSPECTION PROCEDURE 1: Power Windows Do Not Work At All >> Notes
April 5, 2026: LEMON Manuals is launched! Read the announcement.

INSPECTION PROCEDURE 1: Power Windows Do Not Work At All: Notes

CAUTION:

Before replacing the ECU, ensure that the power supply circuit, the ground circuit and the communication circuit are normal.

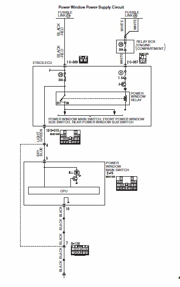
Fig 1: Power Window Power Supply Circuit Diagram
G00527075Courtesy of MITSUBISHI MOTOR SALES OF AMERICA.
Fig 2: Locating Connector C-128
G00527076Courtesy of MITSUBISHI MOTOR SALES OF AMERICA.
Fig 3: Locating Connector E-15
G00527068Courtesy of MITSUBISHI MOTOR SALES OF AMERICA.
Fig 4: Locating Connectors C-307, C-309 & C-315
G00527077Courtesy of MITSUBISHI MOTOR SALES OF AMERICA.