LEMON Manuals: Even more car manuals for everyone: 1960-2025
Home >> Mitsubishi >> 2013 >> Lancer Evolution MR >> Repair and Diagnosis (Single Page) >> Accessories & Equipment >> Communication Devices >> Controller Area Network (Can) - Lancer Evolution >> Diagnosis >> Can Bus Diagnostics >> DIAGNOSTIC ITEM 19: Diagnose When The Scan Tool Cannot Receive The Data Sent By A/C-ECU <Vehicles With A/C> Or Heater Control Unit <Vehicles Without A/C> >> Notes
April 5, 2026: LEMON Manuals is launched! Read the announcement.

DIAGNOSTIC ITEM 19: Diagnose When The Scan Tool Cannot Receive The Data Sent By A/C-ECU <Vehicles With A/C> Or Heater Control Unit <Vehicles Without A/C>: Notes

CAUTION: When servicing a CAN bus line, ground yourself by touching a metal object such as an unpainted water pipe. If you fail to do so, a component connected to the CAN bus line may be damaged.
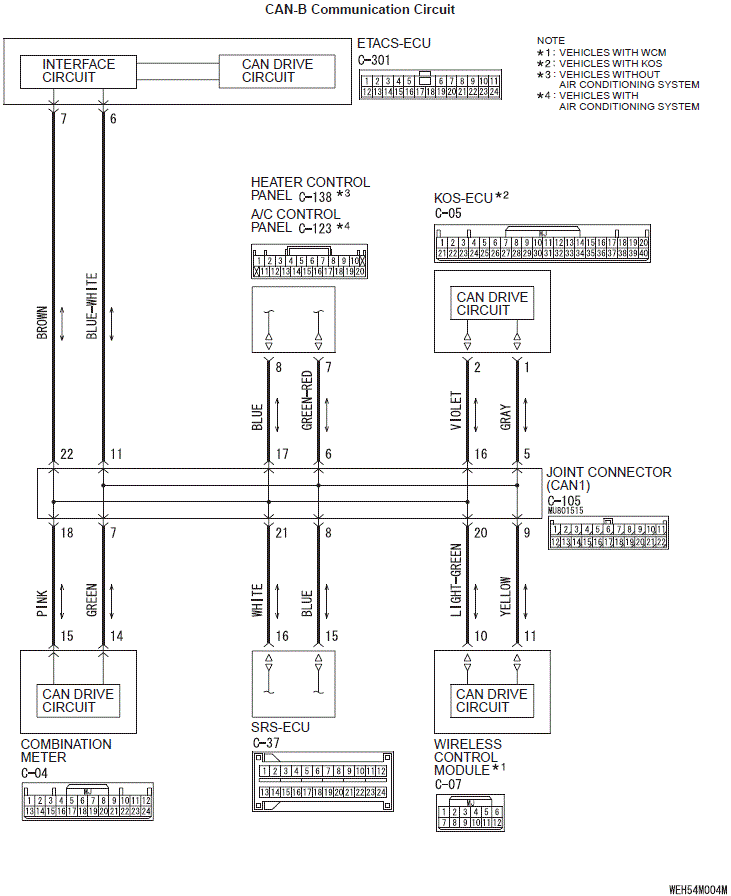
Fig 1: CAN-B Communication Circuit
G00537266Courtesy of MITSUBISHI MOTOR SALES OF AMERICA.
Fig 2: Connectors C-123, C-138 & C-105
G00537267Courtesy of MITSUBISHI MOTOR SALES OF AMERICA.