LEMON Manuals: Even more car manuals for everyone: 1960-2025
Home >> Mitsubishi >> 2013 >> Lancer Evolution MR >> Repair and Diagnosis (Single Page) >> Accessories & Equipment >> Communication Devices >> Controller Area Network (Can) - Lancer Evolution >> Diagnosis >> Can Bus Diagnostics >> DIAGNOSTIC ITEM 6: Diagnose When The Scan Tool Cannot Receive The Data Sent By AWC-ECU >> Notes
April 5, 2026: LEMON Manuals is launched! Read the announcement.

DIAGNOSTIC ITEM 6: Diagnose When The Scan Tool Cannot Receive The Data Sent By AWC-ECU: Notes

CAUTION:

When servicing a CAN bus line, ground yourself by touching a metal object such as an unpainted water pipe. If you fail to do so, a component connected to the CAN bus line may be damaged.

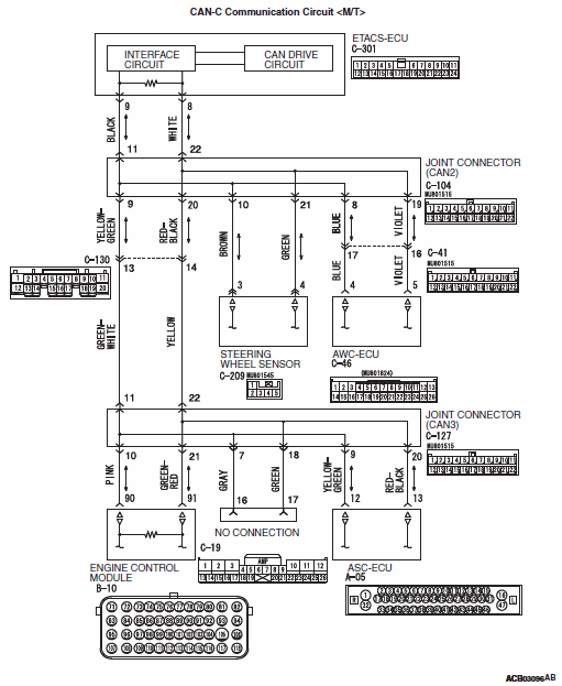
Fig 1: CAN-C Communication Circuit (M/T)
G00527103Courtesy of MITSUBISHI MOTOR SALES OF AMERICA.
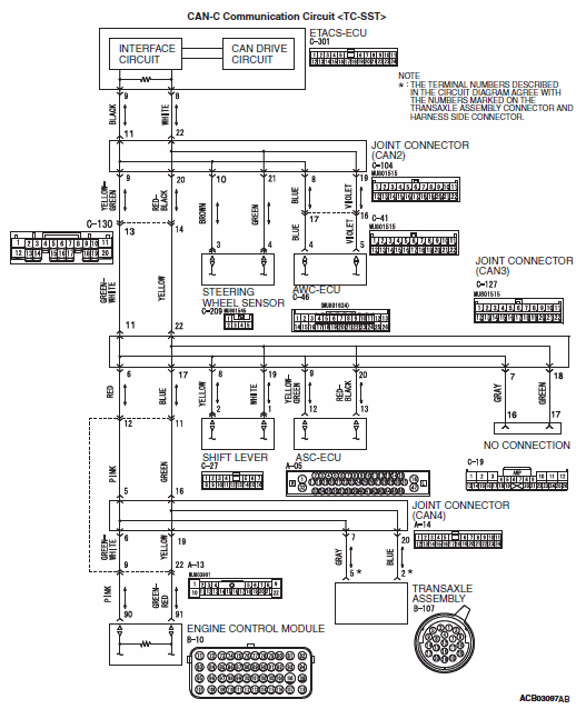
Fig 2: CAN-C Communication Circuit (TC-SST)
G00527104Courtesy of MITSUBISHI MOTOR SALES OF AMERICA.
Fig 3: Locating Connectors C-46, C-104 & C-23
G00527661Courtesy of MITSUBISHI MOTOR SALES OF AMERICA.