LEMON Manuals: Even more car manuals for everyone: 1960-2025
Home >> Mitsubishi >> 2013 >> Lancer Evolution MR >> Repair and Diagnosis (Single Page) >> Accessories & Equipment >> Communication Devices >> Wireless Control Module (WCM) - Lancer Evolution >> Diagnosis >> Diagnostic Trouble Code Procedures >> DTC B2101: IG SW Start POS. Circuit Low; DTC B2102: IG SW Start POS. Circuit High >> Notes
April 5, 2026: LEMON Manuals is launched! Read the announcement.

DTC B2101: IG SW Start POS. Circuit Low; DTC B2102: IG SW Start POS. Circuit High: Notes

CAUTION:
  • If DTC B2101 or B2102 is set, be sure to diagnose the CAN bus line.
  • Before replacing the ECU, ensure that the communication circuit is normal.
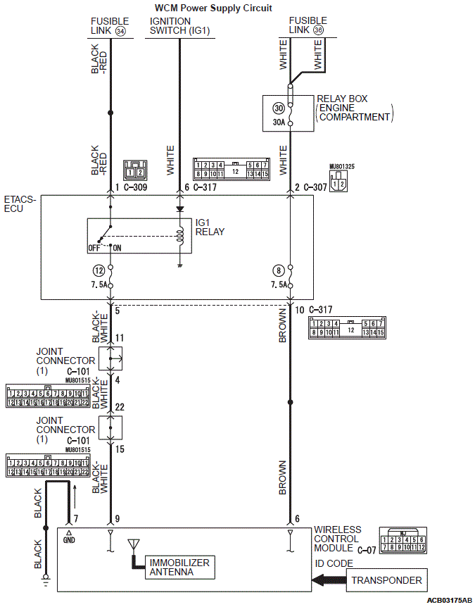
    Fig 1: WCM Communication Circuit
    G00538178Courtesy of MITSUBISHI MOTOR SALES OF AMERICA.
    Fig 2: Connectors C-07, C-101 & C-317
    G00538179Courtesy of MITSUBISHI MOTOR SALES OF AMERICA.