LEMON Manuals: Even more car manuals for everyone: 1960-2025
Home >> Mitsubishi >> 2013 >> Lancer Evolution MR >> Repair and Diagnosis (Single Page) >> Accessories & Equipment >> Wiper/Washer Systems >> Windshield Wiper & Washer System - Lancer Evolution >> Windshield Wiper And Washer Diagnosis >> Symptom Procedures >> INSPECTION PROCEDURE 10: The Windshield Washer Does Not Work Normally >> Notes
April 5, 2026: LEMON Manuals is launched! Read the announcement.

INSPECTION PROCEDURE 10: The Windshield Washer Does Not Work Normally: Notes

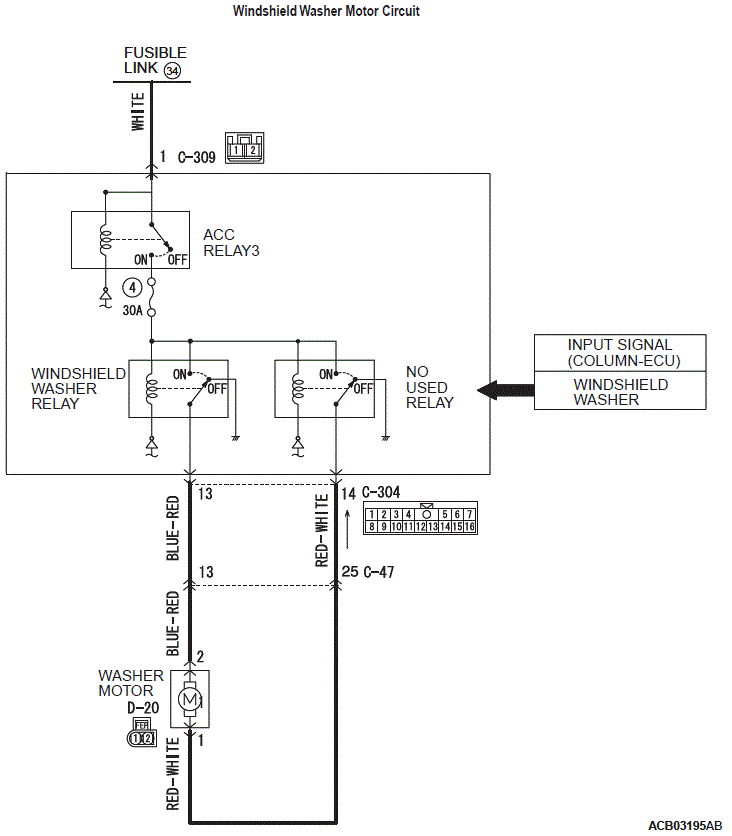
Fig 1: Windshield Washer Motor Circuit Diagram
G00540179Courtesy of MITSUBISHI MOTOR SALES OF AMERICA.
Fig 2: Connector C-47, C-304, C-309 & D-20 Locations
G00540180Courtesy of MITSUBISHI MOTOR SALES OF AMERICA.